变频技术
变频技术
-
变频器的电流检测电路举例
变频技术
被测电流:流过高频磁心上的线圈。 激励电流:由运算放大器 A1 组成恒流源,提供恒定的激励电流。 输出信号:霍尔芯片得到的电压信号十分微弱,经运算放大器 A2 放大后得到与被测...
阅读更多 -
变频器中驱动模块负载能力的测试
变频技术
电路接线:驱动模块由开关电源供电,从⑮脚输入 4~10mA 模拟信号电流,在③脚和①脚之间接入 15 Ω、 3W 电阻,用毫安表测量电流。 判断方法:如 6 个模块测出的毫安数相同,则正常;...
阅读更多 -
变频器的开关电源
变频技术
高频变压器: N1- 一次绕组; N2- 自供电绕组; N3-5V 供电绕组; N4 、 N5- ± 15V 供电绕组; N6-24V 供电绕组; N7~N10- 驱动电源供电绕组。 主要元器件: VT-PWM 开关管; PC1-PWM 振荡芯片;...
阅读更多 -
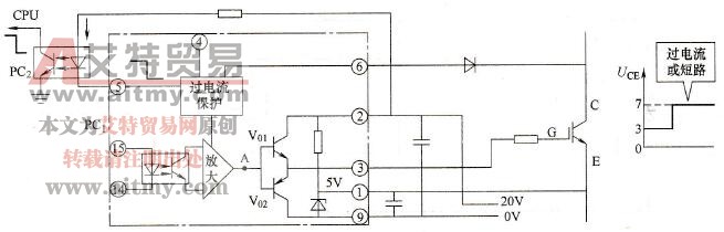
变频器的过电流和短路保护
变频技术
过电流的特点:正常运行时, IGBT 的饱和压降 UCE 小于 3V 。过电流或短路时, UCE 升至 7V 。 保护过程: UCE 升高时,⑥脚电位升高,⑤脚电位降低,光耦合器 PC2 的二极管有电流, PC2...
阅读更多 -
变频器驱动电路的电源
变频技术
下半桥的驱动电源:因为 V2 、 V4 、 V6 的发射极都和直流电路的 N ( - )相接,驱动模块共负极,故可以共用驱动电源。 上半桥的驱动电源:因为 V1 、 V3 、 V5 的发射极以及驱动模块的...
阅读更多 -
变频器的正确接地
变频技术
单台接地:变频器和其他设备必须分别接地,不要共用一根接地线。 多台接地:可以共用一根地线,但地线之间不应构成回路。 地线要求: 1 )尽可能采用扁平导线,接地电阻应小于...
阅读更多 -
变频器限流电阻的影响
变频技术
阻值太小的影响: 1 )合闸时的冲击电流大,电阻易发热,甚至损坏。 2) 直流电压上升快。接触器闭合时火花小,不易损坏。 阻值太大的影响: 1 )合闸时的冲击电流小,电阻不易发...
阅读更多 -
变频器控制线屏蔽层的处理要求
变频技术
屏蔽层的处理: 1 )屏蔽层应往回翻转在外层绝缘上。 2) 层蔽层外部应缠以胶带,至少 4 圈以上。 3) 内层绝缘应露出约 5 mm 。 4) 接地用屏蔽层外部也应用绝缘胶带缠紧,以免散乱。...
阅读更多 -
变频器中IGBT的简单测试
变频技术
控制极正偏: G 极接“ + ”, E 极接“ - ”, IGBT 导通。 控制极撤消电源: G 、 E 间放电很慢, IGBT 在相当长时间内保持导通状态。 G 、 E 间接入电阻:用手指触摸 G 、 E 极,相当于在...
阅读更多 -
变频器中制动电阻和制动单元的配置
变频技术
制动电阻和制动单元均内置:部分小容量变频器常有这种情况,如需在外部另行配置制动电阻的话,须将内置制动电阻和制动单元之间的连接线断开,以免因合成电阻过小而损坏制动单...
阅读更多
