电气技术
电气技术
-
三个继电器控制电机正反转
电气技术
三个继电器控制电机正反转 在电动机容量较大,并且重载下进行正反转切换时,往往会产生很强的电弧,容易造成相间短路。为避免此情况发生,在正反转电路中增加了一个接触器,组...
阅读更多 -
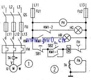
零序电压对星形连接电动机进行缺相保护的控制
电气技术
零序电压对星形连接电动机进行缺相保护的控制电路接线图 合上电源开关Q,按下起动按钮SB2,接触器KM得电并自锁,主触点闭合,电动机起动并运转。当电动机一相断线时,电动机三相...
阅读更多 -
380v交流接触器互锁及限位实物接线图
电气技术
380v交流 接触器 互锁及限位实物接线图...
阅读更多 -
过电流继电器和电流互感器作过电流保护接线图
电气技术
过电流继电器和电流互感器作过电流保护接线图 电流互感器TA接入电动机的两相电路中,电路正常时,过电流继电器KA3、KA4流过额定电流但不吸合,当电动机电流增大到某一数值时,过...
阅读更多 -
家庭单相水泵控制线路图
电气技术
家庭单相水泵控制线路图 应用液位继电器监测水位并自动控制低水位泵水,高水位停止。...
阅读更多 -
自动往复带双向延时停留控制电路接线图
电气技术
自动往复带双向延时停留控制电路接线图 该电路还具有点动控制功能。在不按SB2情况下,按下SB3或SB4分别实现正转和反转点动操作。SB2是自动往复起动按钮。SQ1是正转变反转行程开关,...
阅读更多 -
电动机直接启动的一次电路和二次电路图
电气技术
直接启动是低压电动机最基本的启动方式,应用范围很广,一般中小企业和农村的农副产品加工多使用这种启动方式。所谓低压电动机.通常是指额定电压为380V或660V的异步电动机。功...
阅读更多 -
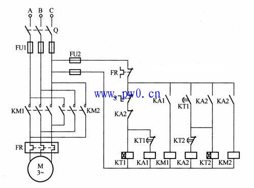
电动机可逆正反转自动控制电路接线图
电气技术
电动机 可逆正反转自动控制电路接线图 图中用时间 继电器 KT1、KT2作时间控制元件,中间继电器KA1、KA2起中间控制作用。合上电源开关Q和旋转开关S,这时时间继电器KT1得电,中间继电...
阅读更多 -
电动机可逆运行控制电路图
电气技术
为了使电动机能够正转和反转,可采用两只接触器KM1、KM2换接电动机三相电源的相序,但两个接触器不能吸合,如果同时吸合将造成电源的短路事故,为了防止这种事故,在电路中应采...
阅读更多 -
带点动的电动机自动循环控制电路接线图
电气技术
带点动的电动机自动循环控制电路接线图 按钮SB4、SB5为正反转点动控制按钮。当按下按钮SB4时,接触器KM1线圈得电,电动机带动运动部件向左运动,但由于SB4的常闭触点已切断了接触器...
阅读更多
点击排行
室内风扇电机和霍尔元件的检测