电气技术
电气技术
-
西蒙三控开关接线图
电气技术
西蒙三控开关接线图 西蒙开关的接线端子为无螺丝设计,将导线头剥出10毫米左右直接插入接线口就卡好了,无需拧螺丝,很方便的。接线如下图所示。图中为单开双控,三开双控照此...
阅读更多 -
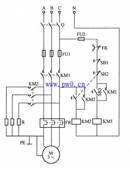
电动机双重互锁正反转控制接线图
电气技术
电动机双重互锁正反转控制接线图 只采用复合按钮的互锁保护是不太可靠的,实际工作中由于负载短路或大电流的长期作用,接触器的主触点有可能被强烈的电弧烧焊在一起;或因为接...
阅读更多 -
电压表经转换开关测量三相线电压接线图
电气技术
电压表经转换开关测量三相线电压接线图 我单位实际应是:拨子朝下为2UBC电压、拨子朝左为1UAB电压、拨子朝右为UCA电压。拨子朝上为空挡。 一、画出接线原理图这种测量三相线电压的...
阅读更多 -
同步电机励磁装原理图
电气技术
同步 电机 励磁装原理图 电路工作原理 主电路是由可控硅T半波整流。供给励磁绕组L2的励磁电流,快速熔断器RD作过流保护,可控硅元件两端通过压敏电阻R2作过压保护。由于励磁绕组...
阅读更多 -
吊机上下开关接线图原理
电气技术
吊机上下开关接线图原理...
阅读更多 -
图解两只灯泡接380V电源
电气技术
图解两只灯泡接380V电源 R1、R2为两只25W白炽灯,如果零线开路,可以使用串联两只相同同功率、电压都是~220V的白炽灯作为应急处理办法。 根据串联电路的特点U=U1+U2,总电压380V流过每...
阅读更多 -
自耦降压启动主回路接线图
电气技术
自耦降压启动主回路接线图 我们常见的电路如附图两种形式:其中上图电路中,自耦降压线圈的三个绕组尾端连接在一起组成固定的星型接法,其抽头由交流接触器KM3连接到电动机上;...
阅读更多 -
电动机紧急停车电路图
电气技术
电动机紧急停车电路图 在电机控制电路中,有时会出现急停信号发出后电动机开关不能立即断开或不能断开的现象,在以接触器作为电源开关的场合,此种现象比较多见,其主要原因在...
阅读更多 -
电流互感器接电流表和电压表时的接线方式
电气技术
电流 互感器 接电流表和电压表时的接线方式 首先,实物接线图如下: 相关产品说明:电流互感器3台,电流表三只,指示灯三只,电压表一只,LW2万能转换开关一个。 基本的接线方式...
阅读更多 -
CH7555电动机启动电路图
电气技术
CH7555电动机启动电路图 CH7555构成的电动机启动时,两路熔断器可同时起作用,以确保不会被烧断;当启动结束后,一路熔断器自动断开,只有与电动机额定电流相适应的一路熔断器接于...
阅读更多
点击排行
室内风扇电机和霍尔元件的检测