电气技术
电气技术
-
利用漏电开关作急停开关的电路图
电气技术
利用漏电开关作急停开关的电路图 利用DZ-51L型三相漏电开关试验回路原理,紧急情况下可以实现及时手动切断总电源。电路见下图,点划线框内为新增元器件。 图中SB3为急停操作按钮...
阅读更多 -
双联三控开关怎么接线?双联三控开关接线图
电气技术
双联三控开关怎么接线?双联三控开关接线图 三控开关是指对某个设备进行多个地方的分别控制,比如如果是照明灯,那有在客厅进门控制客厅灯光的,你到了卧室要睡觉的时候再跑去...
阅读更多 -
三相24槽4极交流电机布线规律
电气技术
三相24槽4极交流电机布线规律 一、计算出必要的参数 1.计算极距() 定子绕组通入三相交流电后。在定子内圆上会形成多个磁极,并且这些磁极按N、S、N、S的规律出现,同时旋转。不...
阅读更多 -
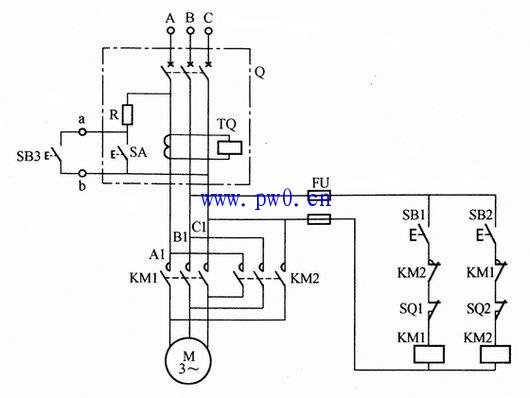
按钮控制直流电动机反接制动接线图
电气技术
按钮控制直流电动机反接制动接线图 用按钮控制的直流电动机反接制动电路。图中KM1是运行接触器,KM2是制动接触器,RP为制动电阻。 制动时,按下停止按钮SB1,其常闭触点断开,使运...
阅读更多 -
双联单控开关接线实物图
电气技术
双联单控开关接线实物图 双联单控就是一个开关上2个按钮控制1个目标(灯)的两种状态。 火线并联后 进入两个按钮 出来2个火线到目标的两个端子;...
阅读更多 -
单相异步电动机的分类及接线方法
电气技术
单相异步电动机的分类及接线方法 一、单相异步电动机的分类 单相异步电动机按其结构可分为罩极式和分相式两种。罩极式电机又分为凸极式和隐极式。分相式按启动方式分为电阻启...
阅读更多 -
直流电动机反接制动接线图
电气技术
直流电动机反接制动接线图 直流电动机反接制动控制电路接线原理图。这种反接制动电路的关键仍是采用了双向双刀开关,符号S,注意开关上下触点为交叉接线。 当将双向双刀开关...
阅读更多 -
浮球和交流接触器手动自动控制潜水泵实物接线
电气技术
浮球和交流接触器手动自动控制潜水泵实物接线图 交流接触器的m1.m2 一端接零线另一端接浮球,余下一根浮球线接火线就可以了。 用浮球开关控制交流接触器线圈,由交流接触器控制...
阅读更多 -
三相电机改单相电源电容启动电路图
电气技术
三相 电机 改单相电源 电容 启动 电路图 三相小功率电机改用单相电源电路时,必须由电容启动运转。电容选择不当,会导致电机不能正常工作;若选择大容量电容启动运转,电机运转...
阅读更多 -
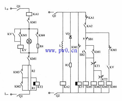
电压继电器控制直流电动机能耗制动电路图解
电气技术
电压继电器控制直流电动机能耗制动电路图解 直流电动机单向运转串电阻起动、能耗制动电路。图中KM1为电动机电路接触器,KM2、KM3为起动短接电阻接触器,KM4为能耗制动接触器,KA...
阅读更多
点击排行
室内风扇电机和霍尔元件的检测