电气技术
电气技术
-
三开关控制两盏灯接线方法图解
电气技术
详细解读双联双控开关的布线、接线方法。 双联双控开关又叫二开双控开关。 面板有两个按键,分别控制两盏灯,使用时,需要和另外两个双控开关(但一是单开双控开关,也可以是...
阅读更多 -
用钳形表测量电机运行电流的方法
用钳形表测量电机运行电流的方法 电机的额定电流指的是线电流,从电源或保护开关、或接触器处测量。额定电流不是测量出来的,是厂家设计电机是确定的。在此电流下可长期安全运...
阅读更多 -
电流互感器的作用及接线方式说明
电流互感器的作用及接线方式说明 作用 电流互感器把大电流按一定比例变为小电流,提供各种仪表使用和继电保护用的电流,并将二次系统与高电压隔离。它不仅保证了人身和设备的...
阅读更多 -
双控开关的线路图_双控开关电路图讲解
电气技术
双控开关的电路原理图 所谓双控开关,是由两个独立的单刀双掷开关组合来实现的,现在市场上几乎每个品牌和系列的开关都有单极和双极的,那个双极的就是我们这里用的。从上面的...
阅读更多 -
PC级电路接线符号系统图
电气技术
PC级就是一个三刀双掷开关。 下面是PC级电路接线符号系统图...
阅读更多 -
电脑双电源供电教程图解
电气技术
(1)双ATX电源工作原理 对于ATX电源,当用户按下机箱上的电源开关后,主板就会给ATX电源送出一个启动信号,我们称之为PS-ON信号(一个高电平信号),在电源收到这个PS_ON信号之后,ATX的主...
阅读更多 -
双电源转换开关常用接线图
电气技术
双电源转换开关接线所需工具:万用表、一字螺丝刀和十字螺丝刀 双电源转换开关接线方法/步骤: PS:我们根据实际情况,根据需要实现什么样的功能来接线。 1、若需要实现全自动,...
阅读更多 -
交流接触器线圈电压接线原理图
电气技术
交流接触器线圈电压接线原理图 功率表是特定行业的专业设备,它是专门用于直流电路和交流电路中测量电功率,非专业人员一般不使用,而是测出电压和电流后,再用P=UI计算出功率...
阅读更多 -
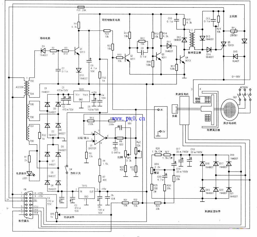
滑差电机调速器电路原理图
电气技术
滑差电机调速器电路原理图 1、电源电路 220V交流电经变压器T降压后,分三路输出:TB3、TB4输出14V交流电,作为电网同步采样电压;TB5、TB6输出18V交流电,经整流滤波后输出24V直流电,...
阅读更多 -
西普软启动器一拖二电路原理图
电气技术
西普软启动器一拖二电路原理图 本电路适用于一台软启动器拖动两台电动机,分时先后启动,在任一台电动机启动完成后,软启动器处于待命状态,此时,方可允许启动下一台电动机。...
阅读更多
点击排行
室内风扇电机和霍尔元件的检测