电气技术
电气技术
-
高压柜铜排计算方法
高压柜铜排计算方法 高压柜铜排选择标准 中置柜KYN28 进出线柜PT柜 GB3906[附录D]中公式:S=I/a(t△) 式中:I--额定短时耐受电流;a材质系数,铜为13,铝为8.5;t--额定短路持续时间;△温...
阅读更多 -
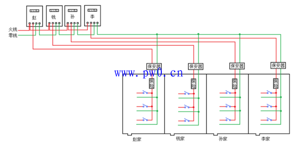
多个电表如何连接?出租房多个电表接线图
电气技术
多个电表如何连接?出租房多个电表接线图 总表就是外线接近你家的表,你想要出租的话 在出租屋里进线接一个表就好了呀。出租屋的进线是从总表过的 12是火线 34是零线。总电表1、...
阅读更多 -
三相负载平衡连接方式
电气技术
三相负载平衡连接方式 三相负载平衡连接方式主要有两种:星形联接和三角形联接。 一、星形连接 首先我们来看什么是三相负载平衡的星形连接,星形联结又分为对称星形联结和不对...
阅读更多 -
串联电抗器降压起动控制电路图
电气技术
串联电抗器降压起动控制 电路图...
阅读更多 -
两个电表串连怎么接线?两个电表串联接线图
电气技术
两个电表串连怎么接线?两个电表串联接线图 第一块表1.3是进线,2.4是出线,第二块表是把第一块表的2.4出线接到1.3进线上,第二块表的2.4出线接负载,这样就是串连了...
阅读更多 -
直流电流表分流器设置方法
直流电流表分流器设置方法 直流电流表一般可直接测量微安或毫安数量级的电流。对于测量几安的电流,可在电流表内设置专用分流器;对于测量几安以上的电流,则采用外附分流器。...
阅读更多 -
电动机定子串电阻降压启动电路图
电气技术
电动机定子串电阻降压启动电路图 鼠笼异步电动机可以采用启动时给定子电路中串联降压电阻(或电抗器)的办法来启动电动机,待电动机启动结束时再将电阻(或电抗器)短接掉。...
阅读更多 -
单相电机正反转接线图以及原理
电气技术
单相 电机 正反转接线图以及原理 有不少 电工 对单相电机的接线搞不清。我先对单相电机的正反转原理讲一下。单机电机里面有二组线圈,一组是运转线圈(主线圈),一组是启动线圈...
阅读更多 -
电流钳形表检查线路漏电和窃电技巧
电流钳形表检查线路漏电和窃电技巧 (1)判断剩余电流动作保护器本身是否有问题。若剩余电流动作保护器投运不上或频繁保护,可在配电变压器处用漏电流钳形表钳住交流接触器或漏电...
阅读更多 -
导线接触不良故障检查技巧
导线接触不良故障检查技巧 通过对运行导线接点的状态来判断其接触是否良好。 (1)运行中的接点,要求其温度不超过70℃。若超过70℃,则说明接点过热。下雨天检查接点的温度时,如...
阅读更多
点击排行
室内风扇电机和霍尔元件的检测