电气技术
电气技术
-
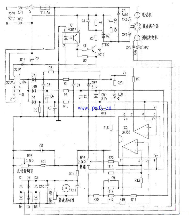
电磁调速电动机控制器原理图分析
电气技术
电磁调速电动机控制器原理图分析 电机调速控制器是通过调节下图中转差离合器励磁线圈的电流来改变电动机转速的,而励磁电流则由单向可控硅KZ进行可控整流控制。KZ的触发电路由...
阅读更多 -
磨机带正反转和电机综合保护器启动电路图
电气技术
磨机带正反转和电机综合保护器启动电路图 1.电路简介 主回路电路如上图所示。控制电路如下图所示。 正反转控制原理:当选择开关SA往左打45时,SA①、②接点闭合,接触器KMZ吸合:...
阅读更多 -
无辅源静态电压继电器接线图
电气技术
无辅源静态电压继电器接线图 1、JWY-32B无辅助源电压继电器用于发电机,变压器和输电线的继电保护装置中, 作为过电压保护或低电压闭锁的启动元件。本继电器为集成电路静态型继电...
阅读更多 -
西门子6ra70直流调速器调速步骤
西门子6ra70直流调速器调速步骤 6RA70装置的调试步骤大致分为以下几个步骤: 1、 外部逻辑组态 2、 6RA70参数设置 3、 电枢回路的升压试验 4、 励磁回路试验 5、 电机空负荷单转 6、 电机...
阅读更多 -
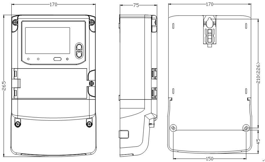
智能电表功能端子接线图及安装尺寸图
电气技术
智能电表功能端子接线图说明 五、工业用电峰平谷三相电表、分时段计量电能表、错峰电度表端子接线图 注1:对于三相四线接线方式,10号端子为电压零线端子;对于三相三线方式,...
阅读更多 -
罩极式单相异步电动机结构图
电气技术
罩极式单相异步电动机结构图 在磁极一侧开一小槽,用短路铜环罩住磁极的一部分。磁极的磁通分为两部分,即1与2,当磁通变化时,由于电磁感应作用,在罩极线圈中产生感应电流,...
阅读更多 -
短路电流计算案例解析
电气技术
一、短路电流概述 1、短路电流介绍 2、短路的类型 二、无限大容量电源供电系统的短路过程分析 1、无限大容量电源供电系统的概念 无限大容量电源指电源内阻抗为零,供电容量相对...
阅读更多 -
多用途86墙壁开关电路接线方法
电气技术
多用途86墙壁开关电路接线方法 厅中挂着用绳子串起来的过头顶的电灯?你一定见过这种类型的灯。一组组的灯挂起来作为节口或平台上的装饰。以前,所有的灯泡除了颜色外,看起来都...
阅读更多 -
三相四极36槽异步电机接线图
电气技术
三相四极36槽异步电机接线图 绕组是单层交叉的,4千瓦的功率应该是角接,A,Z是一相B.X是一相C.Y是一相 下线的时候 有什么次序吗?应该先下哪一把线? 先下哪一把线都行的,你可以先...
阅读更多 -
一开两控墙壁开关插座接线方法
一开两控墙壁开关插座接线方法 专业人士提醒:一般单独房间要设置3个插座,一套两居室的住宅内,数量不能少于15个,开关不少于8个。同一房间的开关高度要一致,一般开关距离地...
阅读更多
点击排行
室内风扇电机和霍尔元件的检测