电气技术
电气技术
-
三相交流电动势UVW相序检测原理
电气技术
三相交流电动势UVW相序检测原理 生产中,普遍使用的是三相交流电,它由三相发电机发出,并且由三相输电系统输送给用户。用输电线把三相交流电源和负载正确地连接起来就构成了三...
阅读更多 -
无刷直流电机相序测定有效方法
电气技术
对三相无刷直流电机传感器位置、输出信号与绕组电动势间的关系进行分析,提出了一种测定其相序的有效方法。 无刷直流电机基本控制方法 无刷直流电机的转子磁钢呈瓦片形,磁极...
阅读更多 -
多地控制电动机电路原理图
电气技术
多地控制电动机电路原理图 能在两地或多地控制同一台电动机的控制方式叫电动机的多地控制。 下图所示为两地控制的控制线路其中 SB11、SB12为安装在甲地的启动按钮和停止按钮;S...
阅读更多 -
接触器双重互锁正反转控制电路图
电气技术
接触器双重互锁正反转控制电路图 按触器双重互锁的正反转控制线路这种线路是在按钮互锁的基础上,又增加了接触器互锁,故兼有两种互锁控制一线路的优点,使线路操作方便,工作...
阅读更多 -
用于3V供电微型直流电机正反转和停止控制电路图
电气技术
3V供电微型直流 电机 正反转和停止控制 电路图 用于3V供电的微型直流电机的驱动,这种电机有两根引线,更换两根引线的极性,电机换向。该驱动电路要求能进行正反转和停止控制。...
阅读更多 -
单母线分段接线方式_单母线分段接线图
电气技术
单母线分段接线方式_单母线分段接线图 (1)只有一组母线的接线 ,进出线并接在这组母线上。 单母线接线图见图1。图中倒闸操作:如对馈线LI送电时,须先合上隔离开关QS2和QS3,再投...
阅读更多 -
星三角启动原理图讲解
电气技术
星三角启动原理图讲解 星三角降压启动的电动机三相绕组共有六个外接端子:A-X、B-Y、C-Z(以下以额定电压380V的电机为例)。 星形启动:X-Y-Z相连,A、B、C三端接三相交流电压380V,此...
阅读更多 -
电动机可逆运行控制接线示意图及线路分析
电气技术
电动机可逆运行控制接线示意图及线路分析 为了使电动机能够正转和反转,可采用两只接触器KM1、KM2换接电动机三相电源的相序,但两个接触器不能吸合,如果同时吸合将造成电源的短...
阅读更多 -
交流接触器在电动机启动电路的应用实例
电气技术
交流接触器在电动机启动电路的应用实例 直接启动是低压电动机最基本的启动方式,应用范围很广,一般中小企业和农村的农副产品加工多使用这种启动方式。所谓低压电动机.通常是...
阅读更多 -
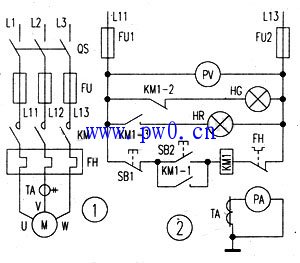
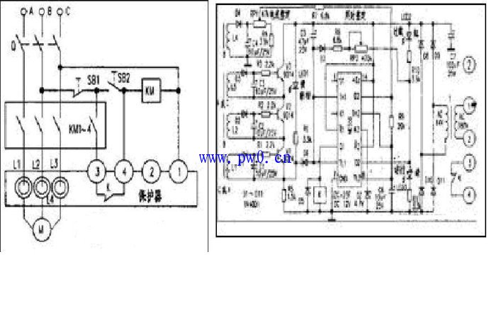
电动机保护器控制电路原理图
电气技术
电动机保护器控制电路原理图 一、工作原理 图1为主电路接线图,图2为测绘的保护器控制电路原理图。 在图1中,按下SB2,保护器得电工作,接触器KM线圈得电吸合。电动机M得电开始工...
阅读更多
点击排行
室内风扇电机和霍尔元件的检测