电气技术
电气技术
-
新型半导体材料有哪些及应用
新型半导体材料有哪些及应用 半导体( semiconductor),指常温下导电性能介于导体(conductor)与绝缘体(insulator)之间的材料。半导体在收音机、电视机以及测温上有着广泛的应用。如二极管就...
阅读更多 -
使用贴片磁珠和贴片电感的原因及选型
电气技术
电感是储能元件,而磁珠是能量转换(消耗)器件。电感多用于电源滤波回路,侧重于抑止传导性干扰;磁珠多用于信号回路,主要用于EMI方面。磁珠用来吸收超高频信号,象一些RF电路,...
阅读更多 -
stm32编码器模式配置详解
电气技术
stm32编码器模式配置详解 编码器分类: 按工作原理:光电式、磁电式和触点电刷式 按码盘的刻孔方式:增量式和绝对式两类 由于博主接触面还不是很广,一共就用过两个种类的编码器...
阅读更多 -
什么是同名端?怎么快速判断同名端
电气技术
什么是同名端?怎么快速判断同名端 1.在原边取一组绕组,同时在副边也取一组绕组。 2.分别取两组绕组的任意一端短接在一起。3.用LCR数字电桥测试两组绕组另外一端的电感值,如电感...
阅读更多 -
基本逻辑电路叫什么门
电气技术
基本的逻辑电路 门电路是最基本的逻辑电路,逻辑门电路的种类繁多,有反相器、与门和与非门、或门和或非门、异或门等,下图几种 常用的门电路。 逻辑电路的分类 逻辑电路分为组...
阅读更多 -
变压器同名端定义_变压器同名端判断图解
电气技术
变压器同名端定义 1.规定施感电流(电流不断增大)流进线圈的端子和在另一个线圈中的互感电压的正极性端子称为两耦合线圈的同名端,且用星号或小黑点将它们标记出来。这样,当施...
阅读更多 -
测量场效应管栅极和漏极
测量场效应管栅极和漏极 在实际电路中你要结合你的电路来选择场效应管的耐压,还有就是耐流。栅源电压是管子的驱动电压,一般15V-20V。过压会造成击穿 场效应管源极电位比栅极电...
阅读更多 -
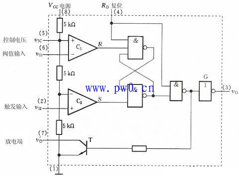
555定时器内部结构简化原理图及功能表
电气技术
定时器有双极型和CMOS两种类型,其型号分别有NE555(或5G555)和C7555等多种。它们的结构及工作原理基本相同。通常,双极型定时器具有较大的驱动能力,而CMOS定时器具有低功耗、输入阻抗...
阅读更多 -
栅极源极漏极怎么区分
场效应管MOSFET 栅极(gate electrode)gate,门的意思,中文翻译做栅,栅栏。electrode,电极。 源极(source)source资源,电源,中文翻译为源极。起集电作用的电极。 漏极(drain)drain排出,泄漏,中...
阅读更多 -
变压器同名端和异名端
在变压器同一铁芯上的不同绕组,在同一磁势作用下,产生同样极性应电势的出线端,称为变压器的同名端。反之就是异名端。 就是1----n 组线圈的始端或尾端,刚开始绕制的头为起始...
阅读更多
点击排行
室内风扇电机和霍尔元件的检测