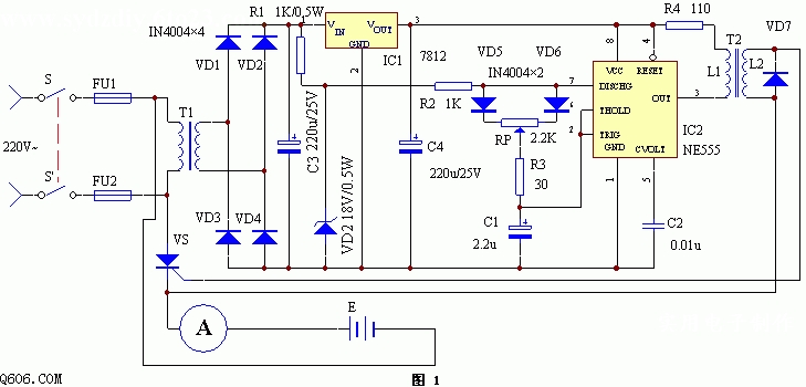
该电路的充电电流有100mA (图中开关SB断开时)、500mA(图中开关S闭合时)两挡可供选择。电路允许的MAX1811的第1脚按图连接时,最高充电电压为4.2V;第1脚与电源负端连接时,最高充电电压为...
阅读更多
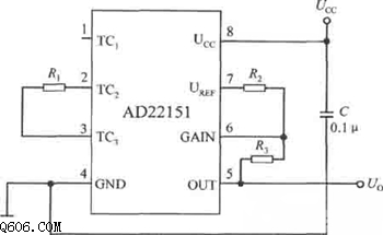
如图是由AD22151构成双极性模式下的温度补偿电路。 该电路具有以下特点:①将温度补偿电阻R1接在TC2端与TC3端之间;②磁场零点被偏置在UCC/2上;③能对-500×10-6/℃以下的低温度系数...
阅读更多
充电电路特点:本充电器直接使用220V交流市电,通过触发电路的控制,实现其输出电压从0V起调,适合于对 12V-220V的蓄电池(组)充电。 工作原理 :电路工作原理见图1。由电源电路、...
阅读更多
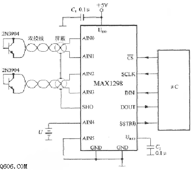
如图所示,可同时测量两路温度和一路电池电压。采用+5V电源供电。温度传感器的引线需采用带屏蔽层的双绞线,屏蔽层接SHO引脚。C1为电源消噪电容。C2用来滤除基准电压的噪声。利用...
阅读更多
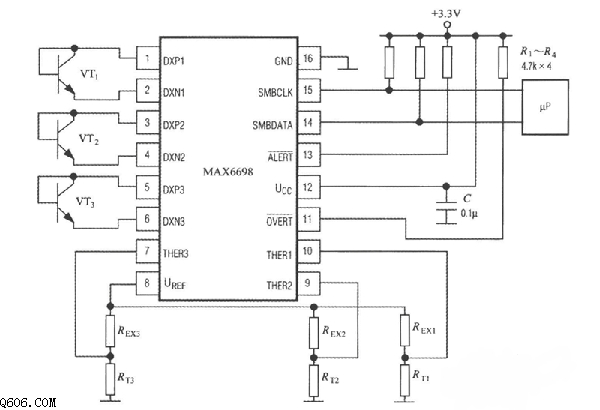
电路如图所示:MAX6698最多只能配3只测温晶体管(VT1~VT3)和3只热敏电阻(RT1~RT3)。内部基准电压源UREF经过电阻REX1~REX3分别给3只热敏电阻供电,热敏电阻上的压降则分别送至THER1~THER3引脚...
阅读更多
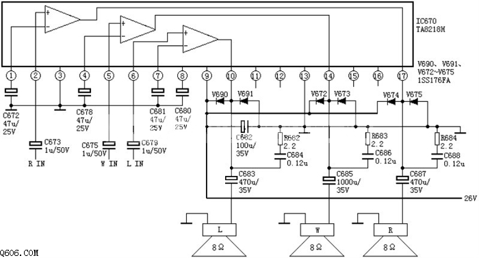
如图所示是彩色电视机常用伴音电路,TA8218AH引脚功能及参考电压: 1脚:1.9V——反向输入端 2脚:2.1V——R路音频信号输入端 3脚:0V——地 4脚:1.9V——反向输入端 5脚:2.1V——重低音...
阅读更多
电路如图所示。该系统利用内置温度传感器测量室温,再用一只2N3904型晶体管的发射结测量远程温度。其余输入通道分别用来测量差分电压和0~+5V的单端电压。MAX1298/1299通过串行接口...
阅读更多
如图是彩色电视机常用伴音电路(TDA1521),该电路摘自长虹C2191,为OTL双声道接法。 TDA1521引脚功能及参考电压: 1脚:11V——反向输入1(L声道信号输入) 2脚:11V——正向输入1 3脚:...
阅读更多
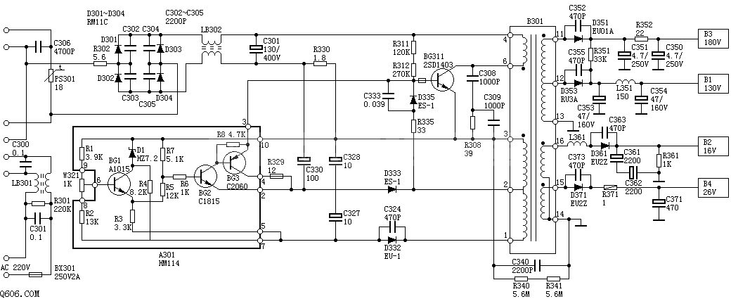
如图所示的是三洋83P开关电源电路图。 振荡过程: C310正端的约300V电压,经R311、R312加到开关管BG311的B极,同时经开关变压器B301的(4)、(6)绕组加到BG311的C极,开关管开始导通,在...
阅读更多
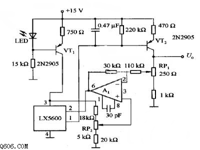
如图是由LX5600构成的温度接口电路。电路中,由LED和VTl构成恒流源电路,为LX5600提供恒定的工作电流。VT2为低输出阻抗的放大器,将LX5600的输出信号进行放大;Al为反相放大器,它完成负...
阅读更多
多功能吊扇遥控调速电路