电路图
电路图学习线性放大555电路图信号产生稳压电路图开关电源电路电池电源电路综合电源电路传感器电路图消费电子电路遥控电路图音视频电路控制电路图电机控制电路DIY电路图光电电路图医疗安防电路图
-
智能液晶显示超声波测距仪电路图
电路图
如图所示是智能液晶显示超声波测距仪电路,由4Y4构成单片液晶显示测距仪。该仪表主要包括超声波发送器、接收器、LCD显示器、按钮开关和蜂鸣器(或扬声器),为了简化引线,4Y4直接...
阅读更多 -
20w公共汽车收音机和扩音机电路图
电路图
如图示出的是20w公共汽车收音机和扩音机电路,是采用TDA2005S双低频功率放大集成电路的公共汽车收音和扩音电路。图中输入端可以接话筒或收音机的低频电压放大输出级。每个TDA2005...
阅读更多 -
555公共汽车站途指示器电路图
电路图
IC1(555)和Rt、Ct组成单稳定时电路,定时时间td1=1.1RtCt.当按下AN后,IC1输出的计时脉冲加至IC2,IC2为可预置4位二进制可逆计数器CD4516;IC3为4位锁存4-16线译码器。每进一站,按一次AN,则...
阅读更多 -
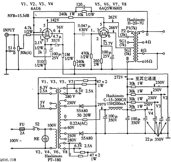
单端四声道功放电路图
电路图
6AQ5W/6005UL单端四声道放大器电路原理如图所示。图中仅画出—个声道。4个声道统—使用一只电源变压器供电压放大部分使用东京光音的4CP-2508-SA型4连音量电位器,同时调整4个声道音量...
阅读更多 -
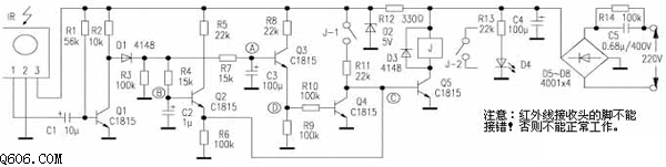
红外线遥控开关接收电路图
电路图
本遥控开关仅用了5只三极管,整个电路可装在尺寸仅40mm×50mm的电路板上,能对各种电器进行遥控开/关操作,电路见附图。所使用的遥控发射器是普通家电遥控器。接收控制电路...
阅读更多 -
555汽车直流灯调光器电路图
电路图
本直流灯调光器用于卡车中控制100W以上的平板白炽灯光,用它来代替原使用的大功率变阻箱。变阻箱因发热常使汽车仪表板面变黑。直流灯调光器电路如图所示,它由低频振荡器、场效...
阅读更多 -
容易制作的短波超再生接收机电路图
电路图
超再生式接收机有很高的灵敏度,问题在于是否适用于短波的接收。超再生式接收机制作也比较容易。开始就制作一只RF振荡器,工作在所要接收的频率上。超再生接收机和振荡器的差...
阅读更多 -
敲击式音乐门铃开关
电路图
安于门外的门灯开关,经常被人随便乱开、关,极易损坏,为此制作了新颖门灯开关。这种门灯开关是敲击式的,并兼有门铃的作用。电路如图所示,它主要由敲击检测电路、门灯触发...
阅读更多 -
简单而实用的直读式湿度计电路图
电路图
如图所示的是直读式湿度计电路,其中RH为氯化锤湿敏电阻器。由VT1、VT2和T1等组成测湿电桥的电源,其振荡频率为250-1000Hz。电桥的输出信号经变压器T2、C3耦合到VT3,经VT3放大后的信号...
阅读更多 -
6p1制作的电子管短波发射机电路图
电路图
L1选用22mm的漆包线在MX-2000的磁环上绕100匝。L2决定电台的发射频率。如果频率选在中波波段时,L2可选用35mm的漆包线在中波磁棒上30 +50匝,或选用13mm的漆包线在25mm的纸筒上密绕90匝。这...
阅读更多
点击排行
多功能吊扇遥控调速电路
