电路图
电路图学习线性放大555电路图信号产生稳压电路图开关电源电路电池电源电路综合电源电路传感器电路图消费电子电路遥控电路图音视频电路控制电路图电机控制电路DIY电路图光电电路图医疗安防电路图
-
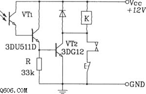
达林顿型光敏三极管自锁光电控制继电器电路图
电路图
达林顿型光敏三极管构成带自锁功能的光电控制继电器电路图...
阅读更多 -
双键触摸式照明灯电路图
电路图
如图所示是双键触摸式照明灯电路图,本电路图使用两个触摸电极片,分别代替在实际生活中的开和关控制。 一、电路工作原理 双触摸式照明开关电路如图所示。 VS与VD7构成了开关回...
阅读更多 -
带照明信号的医用呼叫接收器电路图
电路图
如图所示接收器可避免遗漏病人的求助声音,在白天,只有接收器本身工作,照明灯部分则自动切断。在夜里接收器和照明信号可同时随病人的请求送出。呼叫开关按下时,变压器X1初...
阅读更多 -
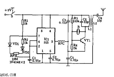
自制无线遥控器电路图
电路图
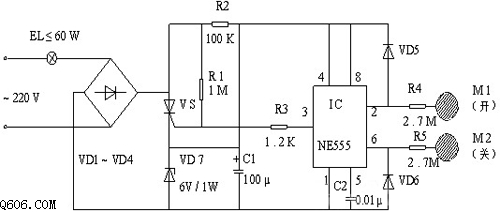
如图所示是自制无线遥控器电路图; 一、电机遥控路的工作原理 无线遥控发射电路 如图为遥控发射电路。555集成块与R1、R2、RP1、VD1、VD2及C1组成一无稳态大范围可变占空比振荡器。图...
阅读更多 -
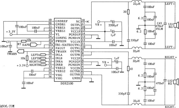
DDX2100数字功放电路图
电路图
DDX2100数字功放电路图...
阅读更多 -
自制电报收发机电路图
电路图
如图所示是自制电报收发机电路图。 电报收发机电路原理 如图,Q1与周围元件构成了典型的考毕兹振荡器并且一直保持振荡(故在接收时有1mW左右振荡信号泄漏),信号通过82pF电容直...
阅读更多 -
TDA1180P功放电路图
电路图
TDA1180P功放电路图...
阅读更多 -
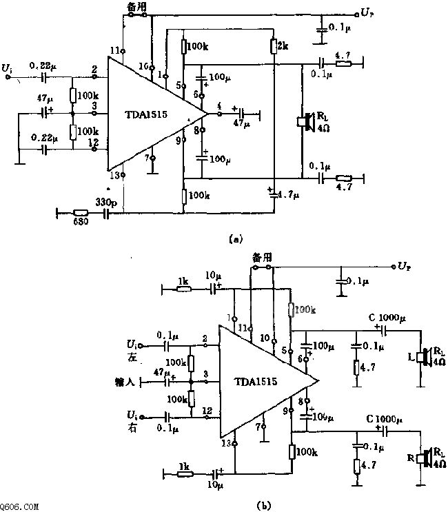
输出为12w、24w功率放大电路图
电路图
如图所示的是12w、24w功率放大电路,图(a)和图(b)两个电路可用于输出功率为12W或24W的电路。供电电压范围为6.5~15V,静态电流为75mA,其功率值如下:在Rl=4欧,k=0.5%时,Po=5.5W;k...
阅读更多 -
3V小型耳机放大电路图
电路图
近代很多新设备中都备置有耳机连接端子。但由于采用高度集成和小型化的设计,因此没有多少空间留给耳机放大部分,对此要求相应的放大器做得十分小巧,而且能解决低供给电源电...
阅读更多 -
TDA2078功放电路图
电路图
该电路特别适用于汽车收音机电路中,内部有热过负荷保护和短路保护措施。负载电阻2欧,输出功率达10W,供电电压范围为5~18V。...
阅读更多
点击排行
多功能吊扇遥控调速电路
