电路图
电路图学习线性放大555电路图信号产生稳压电路图开关电源电路电池电源电路综合电源电路传感器电路图消费电子电路遥控电路图音视频电路控制电路图电机控制电路DIY电路图光电电路图医疗安防电路图
-
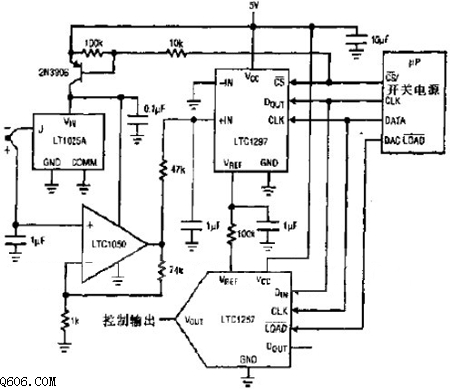
热电偶A/D间的转换电路图
电路图
如图所示的是热电偶AD转换电路,电路为5V单电源12位冷端补偿式具有关断功能的温度控制系统电路。用J型热电偶进行温度监测。LT1025A为热电偶冷端补偿电路,LTC1050为斩波运算放大器,...
阅读更多 -
LM2002/2002A功放电路图
电路图
LM2002/2002A是音频功率放大集成电路,LM2002A具有高压保护,其最高瞬时电源电压可达40V采用5脚单列直插塑料封装。这两种集成电路具有输出功率大、失真度小、噪声低、外接元件数量少...
阅读更多 -
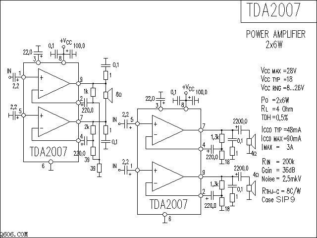
TDA2007功放电路图
电路图
TDA2007功放电路图...
阅读更多 -
智能化超声波测距仪电路图
电路图
如图所示的是智能化超声波测距仪电路,由SB5227构成。图中省略了发送电路、接收电路及温度检测电路。图中使用了5片集成电路:IC1(SB5227AM或SB5227AS);IC2(8位并行输出的串行移位寄存器...
阅读更多 -
TDA2020功放电路图
电路图
TDA2020功放电路图...
阅读更多 -
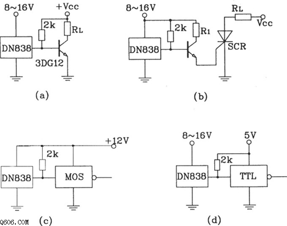
ND838应用电路图
电路图
图(a)、(b)、(c)、(d)其输出分别可直接驱动三极管、可控硅、继电器、COMS电路、TTL电路。...
阅读更多 -
照相机电子测光系统
电路图
在中挡照相机中,CdS光敏电阻作电子测光元件。光线从孔板照射在CdS光敏电阻上,移动密度板,使电路达到平衡,两个LED发光二极管发光均匀,表示适曝。如只有其中一只亮而另一只不...
阅读更多 -
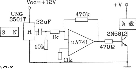
ugn-3501t传感器计数电路图
电路图
如图所示是ugn-3501t传感器计数电路图。由于UGN-3501T具有较高的灵敏度,它能感受很小磁场变化。因而检测黑色金属的有无。利用它的这一特性可制成计数装车。当钢球滚过霍尔传感器...
阅读更多 -
光束阻断报警器电路
电路图
如图所示,光敏电阻R4被照射时,阻值较小,因此三极管VT1及单向晶闸管SCR均截止;当光束被阻断时,VT1的基极电压上升,VT1、SCR导通,蜂鸣器BZ得电发声报警。S1为复位开关。按下S1后...
阅读更多 -
555触摸感应开关电路图
电路图
如图所示是触摸感应开关电路图,该电路由降压整流电路和555触发器组成。当手触及金属片A时,感应信号就使555内部的比较器翻转置位,K吸合,触点K1-1闭合;若再触发一下A,则K释放...
阅读更多
点击排行
多功能吊扇遥控调速电路
