电路图
电路图学习线性放大555电路图信号产生稳压电路图开关电源电路电池电源电路综合电源电路传感器电路图消费电子电路遥控电路图音视频电路控制电路图电机控制电路DIY电路图光电电路图医疗安防电路图
-
lm317可调集成稳压电路图
电路图
如图所示为LM317是常见的可调集成稳压器,最大输出电流为2.2A,输出电压范围为1.25~37V。电路接法如下: 1、2脚之间为1.25V电压基准。为保证稳压器的输出性能,R1应小于240欧姆。改变...
阅读更多 -
OPA37的低噪声前置放大器电路图
电路图
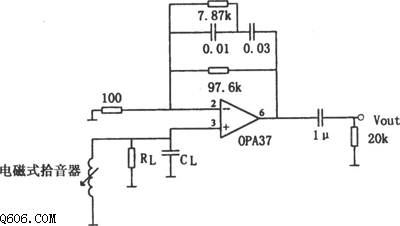
如图电路为OPA37构成的低噪声前置放大器。输入信号加在OPA37的同相输入端(引脚3),电路中的RL、CL为电磁式拾音器的负载阻抗,其阻值和容量可依拾音器的特性而定(一般依据拾音器生产...
阅读更多 -
电容降压稳压器电源电路图
电路图
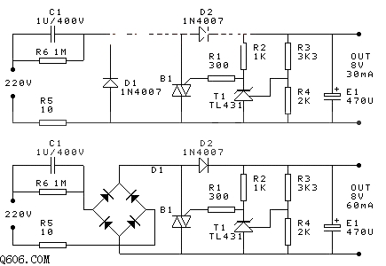
电容C1的容量如果增大一倍,输出电流可以增加近一倍,但不能太大. 输出纹波较大,可以在后边再接7805/317等模拟稳压器. 改变R3的值,可以改变输出电压. 所标输出电流为最大输出电流. 双向...
阅读更多 -
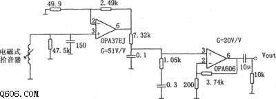
OPA606构成的低噪声高保真RIA前置放大电路图
电路图
如图所示为低噪声高保真RIA前置放大电路。该电路使用了一片超低噪声精密运放OPA37E和一片介质隔离场效应管输入型宽带运放OPA606。 OPA37E运放作为低噪声前置放大,输入信号由电磁式拾...
阅读更多 -
开关整流器直流电压电路图
电路图
开关整流器主要由4个部分组成:输入回路、功率变换器、整流滤波电路和控制电路,如图所示。输入回路将交流输入电压整流滤波变为较为平坦的高压直流电压,经功率变换器将其转换...
阅读更多 -
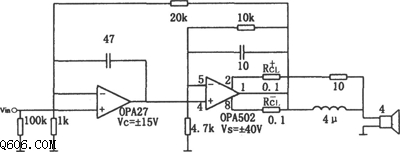
高保真组合音响放大器(OPA502)电路图
电路图
图中所示为高保真组合音响放大电路。该电路使用了超低噪声精密运放OPA27作为前置放大。该电路最大输出功率可达150W。当输出功率为50W时,在频率为20kHz的条件下,其总谐波失真为0...
阅读更多 -
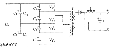
双正激式变换电路图
电路图
当需要较大的输出功率时,一般采取电压叠加的双正激式变换电路,如图所示。电路特点: (1)两个正激式变换电路并联,T1和T2反相180o驱动,功率增大一倍,输出频率增加一倍,纹波及动...
阅读更多 -
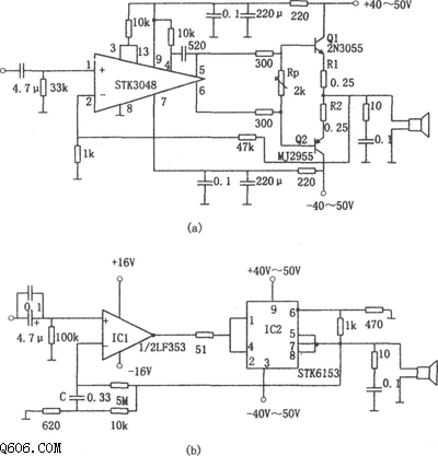
STK6153、STK3048构成的厚膜集成块功率放大器电路图
电路图
如图所示为厚膜集成块功率放大电路。由图(a)可看出,输入信号通过阻容耦合电路(电阻为33kΩ,电容为4.7μF)送入STK3048的同相输入端,经厚膜功放块STK3048放大后,由其输出端(引脚5、6...
阅读更多 -
变形的半桥式变换器电路图
电路图
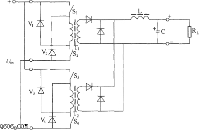
对于高压输入,大功率输出的情况下,一般采用如图所示的电路方式。在电路中,开关器件V1、V2为一组,V3、V4为一组,双双串联,可减少单管耐压值。在实际应用电路中开关器件V1、...
阅读更多 -
OPA604构成的高性能小功率音频功率放大器电路图
电路图
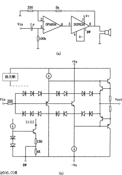
如图所示为高性能小功率音频功率放大电路。该电路前级采用场效应管高保真运放OPA604,后级采用高速缓冲器BUF634,且两级放大器之间引用电压串联负反馈。该电路的电压放大倍数由反...
阅读更多
点击排行
多功能吊扇遥控调速电路
