电路图
电路图学习线性放大555电路图信号产生稳压电路图开关电源电路电池电源电路综合电源电路传感器电路图消费电子电路遥控电路图音视频电路控制电路图电机控制电路DIY电路图光电电路图医疗安防电路图
-
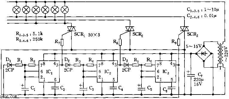
555流水式彩灯控制电路图
电路图
如图所示,彩灯控制电路以三支555为核心,组成循环触发单稳延时电路,分别控制各路的SCR循环导通,彩灯依次点亮,形似流水。 在IC1的3脚呈高电平时,SCR1导通,它控制的灯亮,同时...
阅读更多 -
tca205a的接近开关电路图
电路图
利用集成电路TCA205A可以构成感应式接近开关。在振荡回路阻尼时(如接近金属部分),输出就要切换。如果电感线圈设计得当,则开关距离可达13mm,温度系数0.05%。电阻Ra的大小将决定...
阅读更多 -
电笛报警电路图
电路图
图中示出可以产生升音和降音两种声音的电笛电路。电笛声音是由经过光电耦合器耦合的两个发生器(定时器555和单结晶体管2N2648)产生的。由发生器555产生0.3Hz的频率信号,它使单结...
阅读更多 -
555梦幻彩灯控制电路图
电路图
梦幻彩灯,变化奇妙,可用于商店、舞场或家庭节日装饰。它的控制电路如图所示。 彩灯控制电路由多谐振荡器,控制电路和可控硅触发电路及降压供电电路等组成。交流降压整流电路...
阅读更多 -
磁敏元件的压力计电路图
电路图
该电路采用磁敏元件对FP210P250,它们同两个1k欧电阻组成桥式电路,并接在运算放大器的输入端。桥路电压由稳压管稳压,以使其不受电源电压波动的影响。利用反馈电阻R1和小铁片同磁...
阅读更多 -
发现电网电压故障保护指示电路图
电路图
如图电路中数-模转换器DAC-08输出端接直流输入电压则构成一个典型的模-数转换器,这里输入的是交流电压,可检测和发现电网电压脱落或降落,并用输出数字显示出来。...
阅读更多 -
555霓虹灯高频高压源电路图
电路图
这种电源是以一块时基电路555为核心组成的,电路如图所示。555和R1、R2、C2等组成一个多谐振荡器,其振荡频率f=1.44/(R1+2R2)C2 图示参数的振荡频率为17.8kHz,输出脉冲的占空比接近于...
阅读更多 -
感应接近开关电路图
电路图
该电路包括正弦振荡器(T1)、开关放大器(T2)和继电器(Ian=50mA)。如果在线圈间插进金属推杆,则由于电感反馈使振荡器振荡停止,开关放大器截止,继电器释放。开关点推入深度...
阅读更多 -
高工作电压的稳压电路图
电路图
由电压方程Ue=Ut+Ur+Ua可知,晶体管上电压Ut的大小将决定输出电压Ua的最大值。同时应有Ur》2V.电压Ut取决于稳压管稳压值Uz的选择。图a中的电阻R的选取要满足Iz=Ib+Ir式的边界条件或Ir≈...
阅读更多 -
独立可调占空比的宽带脉冲发生器电路图
电路图
工作原理:电路如图所示。本电路可提供工作频率范围从1.2kHz~2.7MHz,占空比为10~90%的可调方波和矩形波发生器。频率产生来自于压控振荡器IC1和相关元器件。1.2kHz~2.7MHz利用振荡频...
阅读更多
点击排行
多功能吊扇遥控调速电路
