电路图
电路图学习线性放大555电路图信号产生稳压电路图开关电源电路电池电源电路综合电源电路传感器电路图消费电子电路遥控电路图音视频电路控制电路图电机控制电路DIY电路图光电电路图医疗安防电路图
-
555宜流电压过高、过低监视电路图
电路图
监视电路以一块双时基电路556为核心组成,IC左半部监视电压负向波动变化,在正常电压Vdd=5V时,2脚的阈值电平为2/3Vdd(3.2V)。调节RP1,使设定的2脚电压略小于2/3Vdd,当电压向低变化...
阅读更多 -
液体用电子恒温箱电路图
电路图
热敏电阻K273可以用来监视和调节流体的温度,它始终浸在液体中。由差分放大器构成桥式电路,桥臂的阻值选取原则是,一直到通过开关S调节的温度之前,在热敏电阻上的电压降都高...
阅读更多 -
555锌锰干电池还原充电器电路图
电路图
电路以555为核心,组成一个无稳态多谐振荡器。振荡周期T=0.693(R1+2R2)C1 图示参数对应的振荡频率约100Hz左右。占空比接近1:1.因此,该充电器是脉冲充电方式,555的输出经R6限流后直...
阅读更多 -
555光控频闪式保安灯电路图
电路图
电路如图所示由降压整流、光电开关及频闪振荡和控制电路组成,用于修路、施工现场、安全行驶等场所,提醒行人注意。 当天黑时,由3DU5和VT2、VT3放大器等组成的光电开关处于导通...
阅读更多 -
用PSSR制作家用逆变电源电路图
电路图
逆变电源由振荡器、PSSR和升压变压器等组成,功率可达100W左右。 逆变原理在于利用PSSR的开关特性。555和R1、RP1、D1、C1等组成无稳态多谐振荡器,t充=0.693RP1C1,t放=0.693RP1C1,振荡周期...
阅读更多 -
555夜间自动显亮灯电路图
电路图
电路包括一个光电转换开关和一个振荡器,用于入夜后自动显示路标和障碍目标、靶位等场合。 光敏三极管VT1(3DU5),白天因光照呈低阻,VT2截止,VT3导通,SCR因G端为低电平而截止,...
阅读更多 -
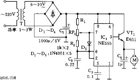
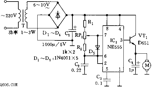
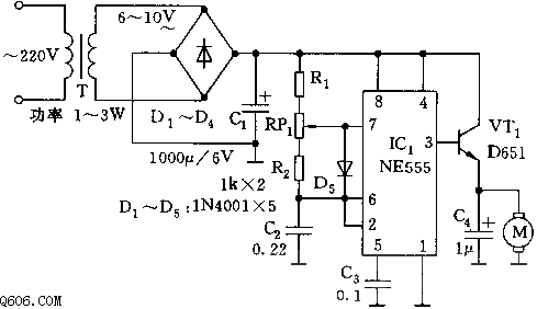
555剃须刀专用电源电路图
电路图
电源电路由交流降压整流电路和直流电压变换电路组成。是一般市售1.5~4.5V剃须刀具使用。 555和R1、R2、RP1、D5、C2等组成无稳态多谐振荡器,振荡频率由充、放电时间常数决定。t充=...
阅读更多 -
555光控自动闪烁路标灯电路图
电路图
如图电路由变压整流电路、光控开关和555无稳态多谐振荡器等组成。VT管为3DU型光敏三极管,白天受光照后,三极管的端电压小于1.6V,功率开关管TWH8778因5脚控制电压低而截止,555无电...
阅读更多 -
电流限制的大电流稳压电路图
电路图
图中电阻R1和R2的选择要满足R2》5·R1的条件。例如R1=0.2欧,R2=1欧。实际中视电流要求R1取在0.1~2欧之间,并由Ube=Ud有UR1=UR2关系,故I2约小于I3 5倍,总电流I1=I2+I3≈I4,忽略晶体管的基极...
阅读更多 -
输出电压可调的串联稳压电路图
电路图
电路输出电压可连续地从零调至最大值。其基准量为一由辅助电源供电的恒流电路。基准电流可由500欧微调电阻调节,其值应为7mA左右。此电流流过2.5k欧电位器并在其上形成自零至输出...
阅读更多
点击排行
多功能吊扇遥控调速电路
