电路图
电路图学习线性放大555电路图信号产生稳压电路图开关电源电路电池电源电路综合电源电路传感器电路图消费电子电路遥控电路图音视频电路控制电路图电机控制电路DIY电路图光电电路图医疗安防电路图
-
555过压指示电路图
电路图
电路如图所示,555和R1、RP1、C1等组成无稳态多谐振荡器,但其接“地”1脚接检测三极管的c极,当被监视电压超过设定值时,DW击穿,VT1饱和导通,555起振,LED发光闪烁。 设计电路时,...
阅读更多 -
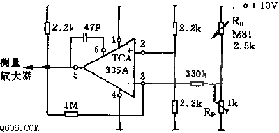
流动速度指示器电路图
电路图
此电路利用热敏电阻作负载来测量流量。对于某一定的液体介质,当其流速不同时,热敏电阻冷却情况也不同,其阻值也不同,从而可测量液体的流量或流速。图中热敏电阻Rh置于运算...
阅读更多 -
电压放大器的串联稳压电路图
电路图
该电路将给定值与实际值电压之差放大,放大系数可以调节。它有较高的稳压系数和较小的输出电阻。在输出晶体管2N3055上装有散热板,其热阻5grd/W,BC140也必须安装散热器。...
阅读更多 -
555脉冲电疗仪电路图
电路图
无针电子治疗仪电路如图所示。是以一块双时基电路556为核心组成的。 556的左侧与R2、R3、RP1、C1组成一个无稳态多谐振荡器,其振频取决于RP1的调节位置,即f=1.44(R2+RP1+R3)C1,图示参...
阅读更多 -
手电筒控制模型电动机电路图
电路图
无光照时,光电池PC1、PC2呈高阻,Q1、Q2导通,断开继电器K1的接点,接通继电器K2的接点,电池B3在Rs电位器上的分压经继电器K3与B1,B2串联加在电动机的两端,由于极性相反,调节R3可...
阅读更多 -
555摇滚彩灯控制器电路图
电路图
如图所示,控制器包括降压整流电路、555多谐振荡器、彩灯控制电路,用于~220V、5W小功率彩灯并联控制或6~12V小电珠的串联摇滚控制。 555和D3、D4、RP1、C2组成无稳态多谐振荡器,调...
阅读更多 -
555自动推煤定时控制电路图
电路图
控制电路如图所示,由降压稳压电源(Vdd=+12V)和一个占空比可调的多谐振荡器及VT2继电控制电路组成。R1、RP1、C1组成充电回路,C1充电到2/3Vdd=8V的时间,即3脚输出高电平、J吸合的时间...
阅读更多 -
转换匹配电路图
电路图
该电路的多抽头可变电感和三个广播调谐电容很容易被预调整到使低功率(QRP)发射机与业余频段的天线匹配到驻波比为1.将S1置于1位,将发射机的峰值输出馈送到J1(最大5W),调整...
阅读更多 -
555音乐彩灯控制器电路图
电路图
控制器如图所示,包括声电转换和放大电路、时钟脉冲发生器、计数电路和控制电路等。它控制四路彩灯伴随乐曲而闪烁发光。拾音话筒MIC将乐曲声响转变为电信号,经VT1~VT4加至四路...
阅读更多 -
电池冷端热电偶保护电路图
电路图
K型热偶端放置隔热块中,热电偶结的环境温度由1N914二极管连续控制。二极管通过反馈小电压可修正在结上产生的热电动势。通过1.5M欧和475欧送至运放。校准时将热电偶结放在零度冰水...
阅读更多
点击排行
多功能吊扇遥控调速电路
