变频技术
变频技术
-
西门子MICROMASTER 430变频器BOP-2基本操作显示板的安
变频技术
(1) 按图 3-49 所示,拆下默认安装的 SDP 状态显示屏。 图 3-49 拆下默认安装的 SDP 状态显示屏 (2) 按图 3-50 所示,取下变频器的 I/O 板,找到 DIP 开关 2 。 图 3-50 取下变频器的 I/O 板 取下时...
阅读更多 -
西门子MICROMASTER 430变频器功能参数的设定和调试
变频技术
(1) 按图 3-56 所示,设定变频器的用户访问级别。 图 3-56 设定变频器的用户访问级别 访问等级由参数 P0003 来选择。变频器的参数有三个用户访问级,即 1 标准级、 2 扩展级、 3 专家级,...
阅读更多 -
西门子MICROMASTER 430变频器试运行的操作技术方法
变频技术
变频器调试完成后,即可进行运行工作,其运行过程主要包括变频器的启动操作、变频器的升速 / 降速操作、变频器的制动停机操作。 (1) 按图 3-67 所示,启动变频器。 图 3-67 启动变频...
阅读更多 -
变频器的工作原理概述(电动机为例)
变频技术
传统的电动机驱动方式是恒频的,即用频率为 50 Hz 的交流 220 V 或 380 V 电源直接去驱动电动机,如图 20-1 所示。由于电源频率恒定,电动机的转速是不变的。如果需要满足变速的要求,...
阅读更多 -
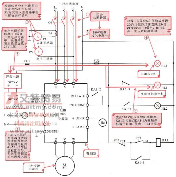
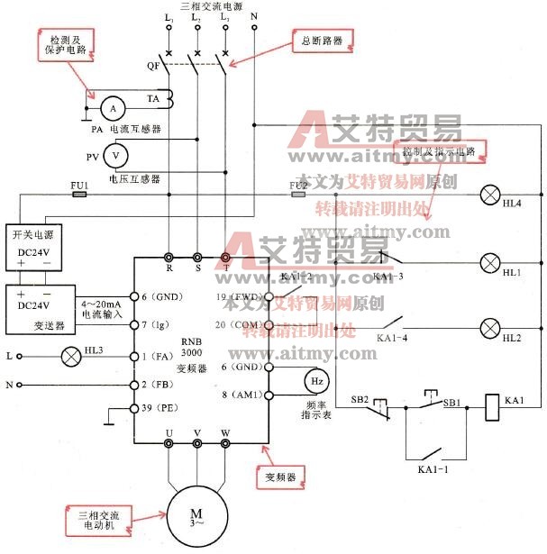
三相交流电动机中典型变频器调速控制电路的结
变频技术
图 2-4 所示为典型三相交流电动机的变频器调速控制电路。从图中可以看到,该电路主要是由变频器、总断路器、检测及保护电路、控制及指示电路和三相交流电动机(负载设备)等部...
阅读更多 -
三相交流电动机中典型变频器调速控制电路的控
变频技术
变频器调速控制电路的控制过程主要可分为待机、启动和停机三个状态。 (1) 变频器的待机状态 如图 2-5 所示,当闭合总断路器 QF ,接通三相电源,变频器进入待机准备状态。 图 2-5 变...
阅读更多 -
变频器的接线技术方法
变频技术
对变频器进行接线操作时,可按照前面的接线要求和注意事项,将变频器与相关的设备和装置进行连接即可。 (1) 按图 3-39 所示,取下变频器的前盖板。 (2) 按图 3-40 所示,取下变频器的...
阅读更多 -
变频器调试中通电前的检查
变频技术
变频器通电前的检查是变频器调试操作前的基本环节,属于简单调试环节,主要是对变频器及控制系统的接线及初始状态进行检查,如图 3-46 所示。 图 3-46 变频器的 简单调试 变频器通...
阅读更多 -
西门子MICROMASTER 430变频器调试中功能参数设定
变频技术
功能参数设定属于调试的关键步骤,要求给变频器通电,检查并完成各项功能数据参数的设置。 不同品牌型号的变频器的调试方法也有所不同,下面以西门子 MICROMASTER 430 变频器为例对...
阅读更多 -
变频器接线概述
变频技术
变频器接线主要指变频器通过接线端子(主接线端子和控制接线端子)与电源、周边设备、负载和控制部件的连接,如图 3-26 所示。 图 3-26 变频器及周边设备 由图可以看到,在变频器...
阅读更多
