变频技术
变频技术
-
MM440变频器快速调试中电动机参数设置
变频技术(1) P0305 参数的最大值取决于变频器的最大电流 r0209 参数和电动机的类型。对于异步电动机,电动机电流的最大值 P0305max 等于变频器的最大电流 r0209 ;对于同步电动机,电动机电流的最...
阅读更多 -
不同控制对象时变频器的选择要考虑哪些特点?
变频技术调速电动机所传动的生产机械的控制对象中,有速度、位置、张力、流量、压力等。对于每一个控制对象,生产机械的特性和要求的性能是不同的。选择变频器要考虑这些特点。...
阅读更多 -
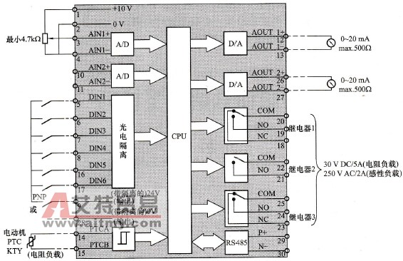
西门子MM440变频器的控制回路
变频技术
如图 2-3 所示为 MM440 变频器的控制回路,它包括 2 个模拟量输入、 6 个数字量输入、 1 个 PTC 电阻输入、 2 个模拟量输出、 3 个数字量输出、 1 个 RS485 端口。 (1) 模拟量输入类型的选择...
阅读更多 -
MM440变频器快速调试中P0700参数设置
变频技术
如图 2-23 所示的 P0700 参数可以选择数字的命令信号源 ( 见图 2-24) , 0 为工厂的缺省设置、 1 为 BOP 键盘设置、 2 为由端子排输入、 4 为 BOP 链路的 USS 设置、 5 为 COM 链路的 USS 设置、...
阅读更多 -
当控制对象是改变电动机速度时,变频器的选择
变频技术要注意电动机速度的条件、加减速时间、转速控制系统等方面。 (1) 电动机速度的条件 为了维持某一速度,电动机所传动的负载必须接受电动机供给的转矩,其值与该速度下的机械所做...
阅读更多 -
西门子MM440变频器的键盘操作器
变频技术
MM440 变频器在标准供货方式时装有状态显示板 SDP[ 见图 2-6(a)] ,对于很多用户来说利用 SDP 和制造厂的缺省设置值就可以使变频器成功地投入运行。如果工厂的缺省设置值不适合用户设...
阅读更多 -
MM440变频器快速调试中P0701~P0708参数设置
变频技术
如图 2-26 所示的 P0701 参数可以选择数字输入 1 的功能,如 OFF1 、 OFF2 、 OFF3 、点动、反转、 MOP 、固定频率设定值、直流制动、 BICO 等功能,具体见表 2-5 。 图 2-26 P0701 参数格式 表 2...
阅读更多 -
当控制对象是改变位置时,变频器的选择要注意
变频技术(1) 位置控制的特点 ①从简单到高级,即仅在停止时,将位置目标对准的简单控制,到经常动作跟踪目标的快速动作高级控制; ②控制对象的位置以转速积分的形式变化; ③即使不在负...
阅读更多 -
西门子MM440变频器基本键盘操作器BOP上的显示、按
变频技术
BOP 上的一些主要显示与按钮含义如下: (1) LCD 显示 ,其作用是状态显示,显示变频器当前的设定值。 (2) 启动电动机 ,按此键启动变频器。缺省值运行时此键被封锁,为了使此键的操...
阅读更多 -
MM440变频器快速调试中P1000参数设置
变频技术
如图 2-27 所示的 P1000 参数可以选择频率设定值的信号源。 图 2-27 P1000 参数格式 在表 2-6 给出的可供选择的设定值中,主设定值由最低一位数字个位数来选择 ( 即 0 ~ 7) ,而附加设定值...
阅读更多
