变频技术
变频技术
-
6SE70变频器捕捉再启动功能的基本概念
变频技术
6SE70 变频器有一个很重要的功能就是捕捉再启动,允许将变频器连接到正在旋转的电动机。如果没有捕捉再启动功能,当变频器接人时可能导致过电流。因为电动机磁通必须预先建立,...
阅读更多 -
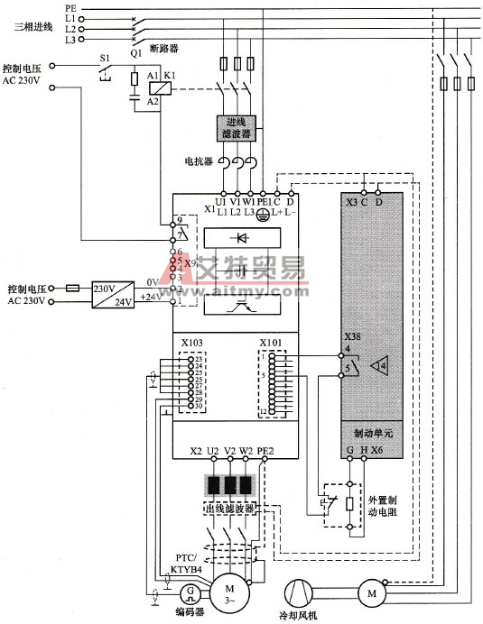
西门子6SE70变频器的基本操作概述
变频技术
西门子变频传动产品 SIMOVERT MASTERDRIVES 通常以订货号 6SE70 开头,因此在很多场合又被称为 6SE70 变频器。 这里以通用 6SE70 变频器的配置为例介绍,图 2-41 和图 2-42 所示为外部接线。 从图...
阅读更多 -
西门子SINAMICS G120变频器的基本操作概述
变频技术
西门子 SINAMICS G120 变频器(以下称 G120 变频器)的设计目标是为交流电动机提供经济的高精度的速度/转矩控制。如按照尺寸的不同(外形尺寸 FSA 到 FSF ), G120 变频器的功率范围覆盖...
阅读更多 -
6SE70变频器参数及参数设置单元PMU的基本概念
变频技术
在 6SE70 变频器中,其参数可有下列不同类型:功能参数(能读和写); BICO 参数(能读和写);只读参数(仅能读)。每个参数标示很清楚地包含了参数名和参数号,有些参数能借助索...
阅读更多 -
西门子G120变频器BOP操作面板概述
变频技术
图 2-60 所示为 G120 变频器的 BOP 操作面板,它可以用于对变频器的调试、运行监控以及输入某个参数的设置,其数值和单位通过 5 位的显示屏进行显示。 图 2-60 G120 变频器的 BOP 操作面板...
阅读更多 -
6SE70变频器功能块的基本概念
变频技术
在 6SE70 变频器中,大量的开环和闭环控制功能、通信功能以及监控和操作器控制功能可由在变频器软件中的功能块来完成。这些功能块可进行参数设置和自由连接。相互连接的方法相当...
阅读更多 -
西门子G120变频器BOP操作面板的参数设置
变频技术
通过为 G120 变频器设定合适的参数值,该变频器可以应用于特定的场合,每个参数都会有一个参数号和相应的具体属性(例如可读、可写、 BICO 属性、组属性等),如图 2-62 所示。在每...
阅读更多 -
6SE70变频器功能块号的基本概念
变频技术每个功能块都有一个功能块号 (FB 号 ) ,用来定义功能块。每个功能块都配置一个标号参数,该标号参数包括在其参数号和参数标号中的有关功能块号。例如, U950. 01 是功能块号 001 的...
阅读更多 -
西门子G120变频器通过操作面板进行参数修改示例
变频技术
(1) 示例一:修改参数 P0003 (参数访问级),见表 2- 21 。 表 2-21 修改参数 P0003 (参数访问级) (2) 示例二:修改带有索引号的参数 P0719 (设置为操作面板控制),见表 2- 22 。 表 2-22...
阅读更多 -
西门子SINAMICS S120变频器的基本操作概述
变频技术
SINAMICS S120 变频器(以下称 S120 变频器)集矢量控制与伺服控制于一身,分为 DC-AC 与 AC-AC 两种类型。所谓 DC-AC 是指控制单元、整流、逆变都为独立模块,目前 DC-AC 类型功率范围为 0....
阅读更多
