电路图
电路图学习线性放大555电路图信号产生稳压电路图开关电源电路电池电源电路综合电源电路传感器电路图消费电子电路遥控电路图音视频电路控制电路图电机控制电路DIY电路图光电电路图医疗安防电路图
-
由INA131构成的RTD温度测量电路图
电路图
由INA131构成的RTD温度测量电路图...
阅读更多 -
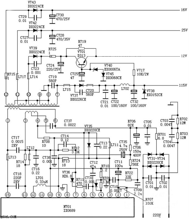
IX0689电源电路图
电路图
IX0689电源被广泛运用于国内各种品牌的TA两片机中,是国产机用得最多的电源之一。 振荡电路 300V直流电压经R707、R724分压后,再由C735、L701加到N701的(12)脚,IX0689的(12)脚是内部开...
阅读更多 -
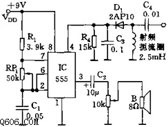
555射频驱动音频振荡器电路图
电路图
如图所示,555和R1、RP1、C1等组成可控音频振荡器,f=1.44/(R1+2RP1)C1,图示参数的频率在600Hz~20kHz之间,可通过调节RP1来选定。 该振荡器振荡与否,取决于复位端4脚的电平。当无射频...
阅读更多 -
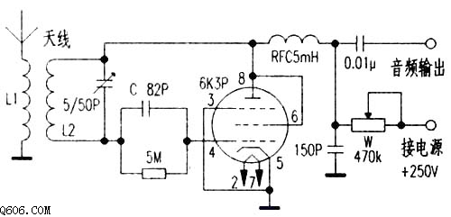
自制电子管调频接收机
电路图
由于调频广播(电视伴音)工作于超高频范围,在业余制作条件下,如果采用超外差式电路,电路比较复杂,装置调整困难,笔者采用超再生接收的方法,电路简单,容易制作,现将制作...
阅读更多 -
电池电压为1v的低频放大电路图
电路图
如图所示的是电池电压为1v的低频放大电路,该电路可工作在1~1.7V电源电压下,故可采用小型电池供电。输出功率为80mW,效率为48%。适于带动有中间抽头的扬声器(4欧X2),电池电压...
阅读更多 -
TL082三角波和方波产生电路
电路图
如图所示为简单的三角波和方波产生电路。该电路由运算放大器组成的积分器和迟滞比较器电路构成。图中R1和C组成积分时间常数。用来改变振荡频率。R2不仅改变三角波的振幅,同时...
阅读更多 -
金属氧化物湿敏元件电路图
电路图
如图所示是金属氧化物湿敏元件应用电路,图中,由IC1及外围元件组成低频振荡器在它的反馈回路中串有两个LED发光二极管VD2、VD3,以提高振荡幅值的稳定性。振荡器可输出频率为9OO...
阅读更多 -
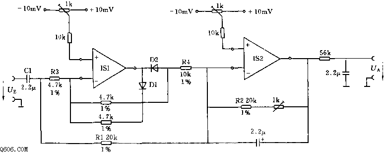
积分路-精密整流器电路图
电路图
如图所示的是带有积分路的精密整流器电路,该电路可将输入的交变信号变换为直流信号。若输入信号频率很低,则输入端电容C1可以取消。在负半周时,运放IS1的输出端通过二极管D...
阅读更多 -
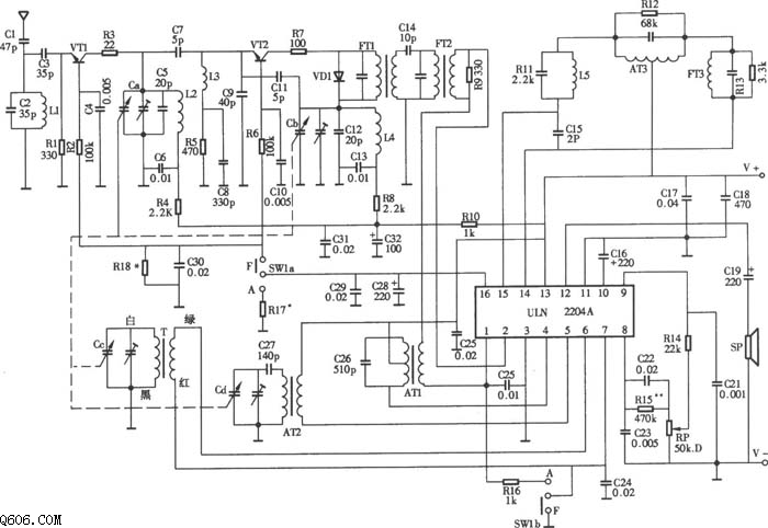
ULN2204A单片收音机电路图
电路图
ULN2204A单片收音机电路图...
阅读更多 -
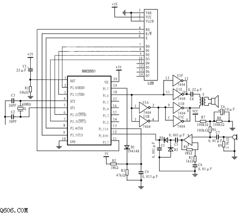
超声波测距仪电路图
电路图
如图是超声波测距仪电路图,AT89C2051通过外部引脚P1.6输出脉冲宽度为250μs,载波为40kHz的10个脉冲的脉冲群,以推挽形式加到变压器的初级,经升压变换推动超声波换能器发射出去。在...
阅读更多
点击排行
多功能吊扇遥控调速电路
