电路图
电路图学习线性放大555电路图信号产生稳压电路图开关电源电路电池电源电路综合电源电路传感器电路图消费电子电路遥控电路图音视频电路控制电路图电机控制电路DIY电路图光电电路图医疗安防电路图
-
555可变延时照明自熄灯电路图
电路图
该电路包括降压整流电路、开机定时电路和可控硅控制电路,用于楼梯、走廊等公共场合的照明灯。 降压整流电流的Vdd=+9V,供给控制器直流电压。IC(555)和R1~R4、C1组成开机延时电路...
阅读更多 -
3.0A-1.5A电流可调充电器电路图
电路图
此充电器可对电池或电瓶充电,电池或电瓶充满电时会自动停止充电,恒流充电从0~1.5A连续可调,停止充电时,阈值电压从0~15V连续可调。 工作原理 电路如图所示。当A、B之间接入电...
阅读更多 -
555抗干扰光控电路图
电路图
光敏传感元件采用3DU型光敏管。当光照较弱时,3DU管呈现的阻抗大,降压大,DW1不会击穿,VT2截止。此时,C1通过RP2、R2充电,当经过延时td1=1.1(RP2+R2)C1后,555复位,3脚呈低电平,进...
阅读更多 -
输出电压可调的稳压电路图
电路图
电路中R2+RP+R1支路电阻值的大小决定了电流I的大小,此电流应大于运算放大器的输入电流,约为I=1mA。它又决定于输出电压最低值UAmin。故在调节到最高输出电压值时电流I也应相应地变...
阅读更多 -
555亮度可调的指示灯电路图
电路图
有些场合需要亮度可变的指示照明度,若采用电阻降压的办法,耗电多。本电路采用可变占空比的振荡方波供电,即可调节灯的照明亮度,也节约电能。 555和R2、R1、RP1、C1等组成无稳态...
阅读更多 -
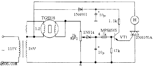
双向晶闸管的气体-烟雾报警电路图
电路图
在出现可燃性气体时TGS308型气体传感器的电导增加,通过电位器RP1滑动点取出电压,其值从正常的3V有效值增加到20V.此升高的电压经二极管和4.7k欧电阻加至晶体管VT1,使之导通,VT1导通...
阅读更多 -
555经济型荧光显示灯丝电压源电路图
电路图
多数计算机器的荧光字码管的灯丝,需加一个6V直流和Vp-p电压约为4V的几千赫兹的交流电压,此电路可以满足这一条件。 电路中,555和R1、R2、C1等组成无稳态多谐振荡器,振荡频率f=1...
阅读更多 -
消毒柜电子控制电路图
电路图
消毒柜电路是利用红外加热原理,在密闭柜内创造出高温环境,对餐具进行杀菌消毒。电路如图所示 控制电路包括交流降压稳压电路,红外加温电路和定时控制电路等。单相交流电经限...
阅读更多 -
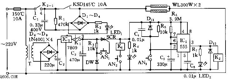
555单按钮控制的电源开关电路图
电路图
电源开关由降压整流电路、555接成的双稳电路和可控硅控制电路等组成,用于控制电源的通、断。 交流降压整流电路为555提供Vdd=+12V左右的直流电压。IC(555)的2、6脚接至一点,与R1、...
阅读更多 -
液体液面和温度监控电路图
电路图
电路中,如果热敏电阻K273达到了整定的温度或者液面2处传感器电极不再浸入液体中,则通过接通继电器使之加热。这就保证了,在接通加热时总会有最低液体量在容器中。 该电路也可...
阅读更多
点击排行
多功能吊扇遥控调速电路
