利用TGS4160传感器并通过高输入阻抗、低偏置电流的运放进行放大,再作一些简单的运算处理,就可以在CO2浓度为300~5000ppm的范围内测得信号,该信号为0...
阅读更多
这个自动空气清新器能在室内空气污浊或有害气体达到一定浓度时,自动产生负氧离子,保持空气清新。 工作原理 电路如图。分为两部分,以QM-N5为中心元件的电路组成空气检测开关...
阅读更多
如图是SONY KV2184电源电路图:...
阅读更多
实践证明,用电风扇给电冰箱散热是一种节电的有效方法,风扇不停地工作时,一个月的耗电量仅有2度左右,若风扇停转耗电仅为0.7度。本文介绍的自控器,当电冰箱的压缩机温升达到...
阅读更多
该电路采用热敏电阻K18。它有很大的表面,有利于安装,并能带动较大的负载,通常做成棒形装在传感器壳体内。在电路中接成桥式结构,由电位器R1调整温度给定值,输出电路由继电...
阅读更多
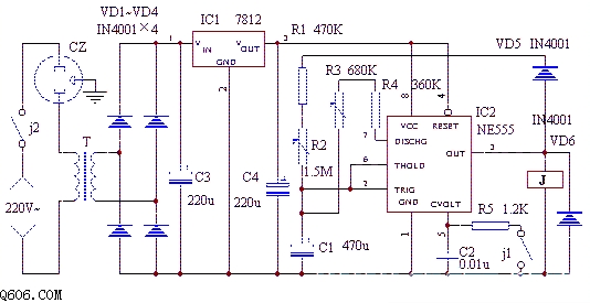
当电冰箱的温控器损坏,一时难以配置新温控器时,可以采用本文介绍的电子温控器作应急代用。 电路的工作原理如图:它采用了一块时基集成电路NE555作循环定时控制器。当电源接通...
阅读更多
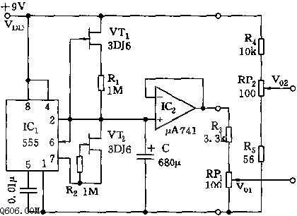
电路如图所示,发生器由振荡器、电压跟随器、幅值调零、零点迁移电路等组成。用作自动平衡记录仪运行试验的信号源,输出信号0~50mV,输出电压零点迁移正负25mV连续可调,周率...
阅读更多
如图所示是电饭煲火力控制器电路图。电饭煲一般用来煮干饭,如用来煲汤、煮稀饭、蒸食物却不能自动“跳闸”,而一些需要“文火”熬煮的食物也因无法调节其火力大小,容易产生...
阅读更多
TDA2320功放电路图...
阅读更多
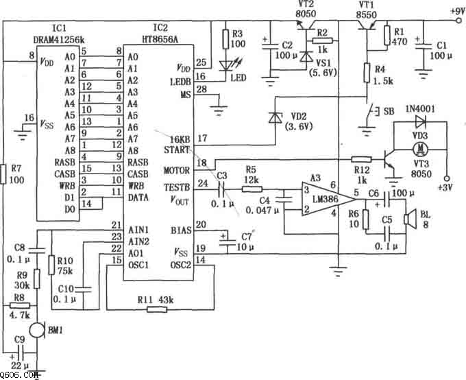
HT8656录放语音集成电路的内部有一个声音自动检测电路,当电路处于等待状态、传声器接收到声音信号时,电路便自动进入录音状态;而当声音停止(或静音)约1s时,电路便自动由录音状...
阅读更多
多功能吊扇遥控调速电路