TDA2611A功放电路...
阅读更多
左图为CXA1034P/1034M的内部电路框图,右图为其典型应用电路。...
阅读更多
1电子镇流器及有关问题 电子镇流器的负载是一种特殊负载,要求电子镇流器工作时具有能为负载提供稳定电流的能力。由于它具有节能、效率高、节省金属材料(铜、硅钢)等优点,...
阅读更多
如图所示为公共汽车站途指示器电路。该电路由555单稳延时电路、计数器IC2、译码显示器IC3、延时音响电路等组成。 单稳延时电路由555和Rt、Ct等组成,其延迟时间为td1=1.1RtCt。计数器...
阅读更多
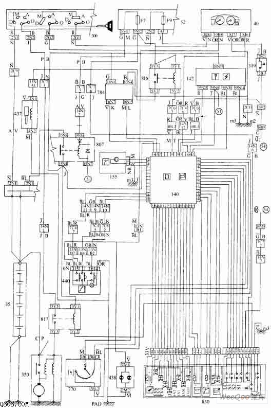
富康轿车AL4型自动变速器电子控制系统电路图...
阅读更多
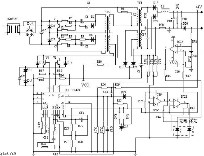
1:高压故障 2;低压故障 3:高压,低压均有故障。 高压故障的主要现象是指示灯不亮,其特征有保险丝熔断,整流二极管D1击穿,电容C11鼓包或炸裂。Q1击穿,R25开路。U1的7脚对地短路。...
阅读更多
BA532与用于OTL电路的低频功率放大电路,输出功率高达5.8W,内设负载短路、过电压和过热保护电路,单列10 脚封装,电路特点有: 在电源电压为13.8V时,8Ω负载阻抗,THD=10%时,输出功率...
阅读更多
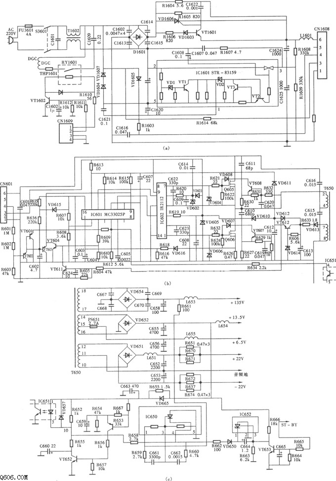
如图所示的是索尼KV-S29MHl(S机芯系列)彩电开关电源(SIR一80145A)电路; (a)是电源振荡部分;(b)是稳压部分;(c)是输出部分。...
阅读更多
μA783 9W音频功率放大电路...
阅读更多
如图所示的是供电0~1小时的时定交流电源电路图,由555构成1小时之内定时器,J为线圈阻抗212ΩIRC MR312C继电器,或电流小于200mA的12V继电器。图中参数,延迟时间为3~58分钟。如果要得到...
阅读更多
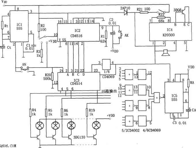
多功能吊扇遥控调速电路