如图所示为由LM1877构成的具有低音控制的立体声唱机放大电路。立体声金属陶瓷拾音器拾取唱盘上的立体声左、右声道音频信号,经过两个1MΩ电位器输入,分别由两个0.1μF电容耦合加...
阅读更多
如图电路为顺次定时控制电路,本电路可对两个开关进行顺次定时控制,控制时间可以从几秒到几十分内随意调节;若用于正反向往复运动的机械控制,可使电动机按定时要求正反向运...
阅读更多
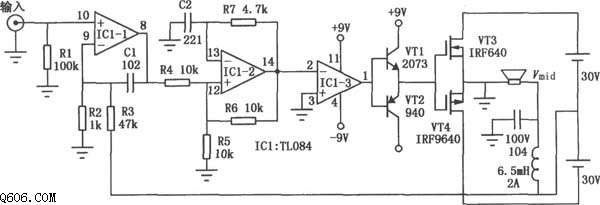
常规家庭影院数字功放需采用专用的集成电路,而这类集成电路生产厂家少、价格也较高。本电路可采用普通元件制作,功率为50W,空载时几乎不消耗功率,满载时的效率约85%,具有...
阅读更多
如图所示为2W音频功率放大电路。该电路采用了14脚封装的LM380作为放大器件,输入信号经音量控制电位器Rp(20kΩ)和22μF的耦合电容加到运放LM380的反相输入端(引脚6),其同相输入端(引脚...
阅读更多
被研究传感器的示意图:A—可调压力,B—金属针极的夹具,C—金属针极,D—钙钛矿型氧化物薄片,E—银或碳基导电浆料,F—金属衬底,G—直流电源...
阅读更多
如图所示是热电偶温度频率转换电路,LT1025为小功率热电偶冷端补偿器,LTC1049为小功率零漂移具有内电容的运算放大器,LTC1146为信号隔离集成电路。 I3输出脉冲驱动LTC1146的Din脚,GND...
阅读更多
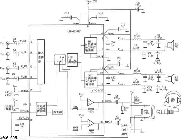
TNM4663RMTD类功放电路图...
阅读更多
如图所示是用于检测气味和食物原料气敏传感器电路,气味检测是半导体气敏传感器扩大应用的主流方向之一,最有潜力的应用领域是食品工业和医学,还有家住环境和舒适度的调节系...
阅读更多
如图所示电路是太阳牌汽车报警器电路,报警器由两块555构成的变音调振荡器和音频推挽功率放大器组成。IC1(555)和R1、R2、R3、C1、D1、D2等组成无稳态多谐振荡器,振荡频率由电路的...
阅读更多
如图所示为均衡立体声前置放大电路。图(a)为左声道前置放大电路,图(b)为右声道前置放大电路。该电路采用了双运放OPA2111。左、右声道分别使用双运放OPA2111中的一个运放。因而左、...
阅读更多
多功能吊扇遥控调速电路