电路图
电路图学习线性放大555电路图信号产生稳压电路图开关电源电路电池电源电路综合电源电路传感器电路图消费电子电路遥控电路图音视频电路控制电路图电机控制电路DIY电路图光电电路图医疗安防电路图
-
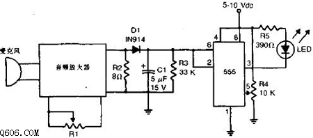
实用的音响电平监视器电路图
电路图
音响检测器主要由接成施密特触发器的IC555组成。只要输入超过某一电压,它的输出将改变状态,由高到低。R4用来设置门限电压。...
阅读更多 -
简易的齐纳管测试仪电路图
电路图
此电路提供了一个廉价而又可靠的测试齐纳二极管的方法。RV1可以按照伏特值来标定,使之当LED1刚刚亮的时候,引脚2和引脚3上的电压几乎相等。因此齐纳管电压可从RV1的位置直接读出...
阅读更多 -
交直流通用电动机的转速和功率调节电路图
电路图
交直流通用电动机(整流电动机)中励磁绕组同电枢绕组串联,故在交流电源时,磁场方向和电枢电流方向同时改变,故旋转方向不变。图a示出其典型的特性曲线,图b示出电动机转速...
阅读更多 -
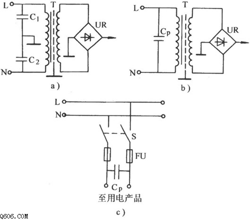
噪声排除电路图
电路图
图a所示,电子产品常用的抗干扰措施,就是在电源变压器的一侧对地(机壳)接入两只旁器路电容。C1 与C2选用小容量时,只能对前沿很陡,宽度很窄的脉冲起旁路作用。想要克服能量较...
阅读更多 -
简易的电容计电路图
电路图
输出电压正比于连接到电荷泵引脚2上的电容量。该电容计工作覆盖范围是0.01~0.1uF(Ra调到111k欧)。在这个电容量程内,输出电压从1V到10V(电源电压为15V)。一个恒定的参考频率取自...
阅读更多 -
湿度传感器接口电路图
电路图
电阻的单位为欧姆,1/4W,5%;C9调节振荡,容量为2000pF,产生2.2kHz振荡频率。...
阅读更多 -
c036构成的多用家用电器保护电路图
电路图
如图为多用家用电器保护电路。该电路由降压、升压电路、延时保护电路、继电器控制电路等组成。 降压电路主要由YF3、BG4、BG5、J1组成。当市电电压正常(低于240V)时,YF3输出高电平,...
阅读更多 -
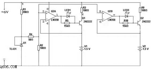
lm358碱性电池充电器电路图
电路图
碱性电池能否充电的问题,有两种不同的说法。有的说可以充,效果非常好。有的说绝对不能充,电池说明提示了会有爆炸的危险。事实上,碱性电池确可充电,充电次数一般为30-50次...
阅读更多 -
随身听自选歌曲的电路图
电路图
随身听自选歌曲的电路如图。T1为信号放大,T2为节目间隙检出,T3、T4为双稳电路和控制电路,T5为静音。LAG665的7脚为直流音量控制。T5导通,输出截止静音。16脚为马达速度控制,当...
阅读更多 -
555简易转速表电路图
电路图
来自开关接点的、与转速成比例的脉冲信号Vi,经过微分后加至IC(1/2 556)的触发端,使单稳定时电路产生定宽的脉冲,td=1.1R2C2,不同的转速有与其成比例的脉冲数,单稳电路输出的脉...
阅读更多
点击排行
多功能吊扇遥控调速电路
