电路图
电路图学习线性放大555电路图信号产生稳压电路图开关电源电路电池电源电路综合电源电路传感器电路图消费电子电路遥控电路图音视频电路控制电路图电机控制电路DIY电路图光电电路图医疗安防电路图
-
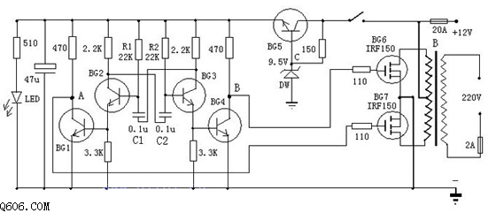
简单的晶体管逆变器电路图
电路图
在偏远乡村,经常会有停电现象,有些大学到一定时间也会自动关灯,不过这没关系,有了它,这些就可以解决。 这是一款非常容易制作的逆变器,可以将12V电源电压变为220V...
阅读更多 -
卫星接收天线随动控制电路图
电路图
图中电位器RP2的滑动触点轴与天线轴直接连接。只有当给定电位器RP1与RP2指在同一位置时,各晶体管才不导通,整流桥截止,电动机上无电压,天线静止不动,否则电机或天线将跟随给...
阅读更多 -
555具有过量程报警的频率计电路图
电路图
该频率计主要有两个单稳触发电路组成。输入信号经C1、R1微分和VT1放大限幅后,同时触发单稳电路IC1、IC2.IC1和C3及K1量程开关控制的电阻R组成单稳延时电路,其输出(3脚)的暂稳脉冲...
阅读更多 -
用ne555做廉价的开关电路图
电路图
今天我使用NE555为大家做个廉价的开关电源。 如图所示为用555构成的升压型开关稳压电源电路。电路中,采用晶体管BG1作为开关调整管;运算放大器IC1构成比较放大器;555时基电路接成...
阅读更多 -
温度控闭保护电路图
电路图
很多机器仅能在一定温度范围内才能最佳和经济的运行。超过某一定允许的运行温度,就可能使机器损坏,至少也会减少其使用寿命。为此可采用图示的保护电路。利用热敏电阻Rh作传...
阅读更多 -
555矿井除尘延时光电控制器电路图
电路图
该控制器包括降压稳压源(Vdd=+6V)、光电控制单稳定时、触发控电路等。用于井下水幕除尘。 电源由并联的两支灯泡降压后,再进行整流稳压,输出Vdd=6V供555作为电压源。灯的发光又...
阅读更多 -
室外天线防盗器电路图
电路图
如图所示为室外天线防盗器电路。微波天线的电源是放在室内的,而变频器是放在室外的。两者用一根75同轴电缆连接,此电缆既作电源线,又作信号线。在正常工作时,电缆中有180m...
阅读更多 -
直流电动机曲转速控制电路图
电路图
电路可用于控制小功率直流电动机、串励电动机或并励电动机的转速和转向。电动机与整流桥G1串联,然后接在电网变压器次级绕组n2上。如果整流桥输出端不通,则电动机停止,这相当...
阅读更多 -
555数字式电容测试仪电路图
电路图
IC1(555)和R1、R2、C1组成无稳态多谐振荡器,振荡频率f=1.44/(R1+2R2)C1 由于R1》R2,故振荡脉冲的占空比高达98%。它输出的脉冲波形作为IC2的控制波。IC2与待测电容Cx和各量程电阻等组成可...
阅读更多 -
腋臭治疗仪电路图
电路图
腋臭是一种菌体霉变的产物。臭氧有灭菌、除臭、防霉的作用,用它治疗腋臭具有一定的效果。本电路中IC1(M5232)组成电压检测、电池欠压自动关机电路,F3、F4组成12kHz振荡器,受F...
阅读更多
点击排行
多功能吊扇遥控调速电路
