电路图
电路图学习线性放大555电路图信号产生稳压电路图开关电源电路电池电源电路综合电源电路传感器电路图消费电子电路遥控电路图音视频电路控制电路图电机控制电路DIY电路图光电电路图医疗安防电路图
-
555构成的直流稳压电源保护装置电路图
电路图
电路图为直流稳压电源保护电路。该装置由降压整流稳压电源、单稳延时电路、继电器控制电路、音频反馈式振荡电路等组成。其中降压整流稳压电源为整个电路提供直流电压Vdd,且...
阅读更多 -
555数字万用表附加频率测试仪电路图
电路图
该电路包括整形电路、单稳定时电路、限幅器等,可用数字万用表对频率信号进行测量。量程分为两档:0~2kHz;0~20kHz。 IC1和R1、R2组成施密特触发器,对输入信号进行整形,输出同频...
阅读更多 -
电流传感器接口电路图
电路图
此电路用于电流传感、电机控制、加速度传感器、压力传感器、位置标志传感器、应变传感器和其他低电平信号源电路。...
阅读更多 -
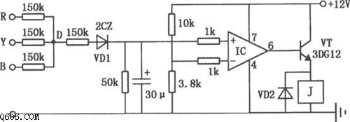
电压型光电传感式断路、缺相保护电路图
电路图
本电路为电压型光电传感式三相断路保护器,在电源缺相时会发出报警声,同时自动发出切断电源的指令。...
阅读更多 -
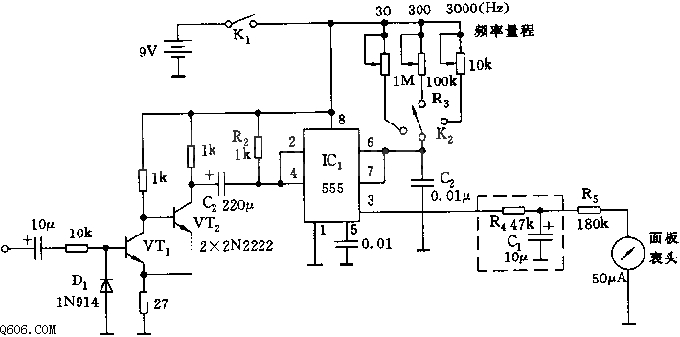
555线性音频频率计电路图
电路图
频率计包括脉冲放大整形、微分、单稳定时、平均值电路和表头指示,用于对音频范围内的未知频率信号进行频率测量。 VT1、VT2将待测信号放大限幅后,经C2、R2微分后,触发由555和R...
阅读更多 -
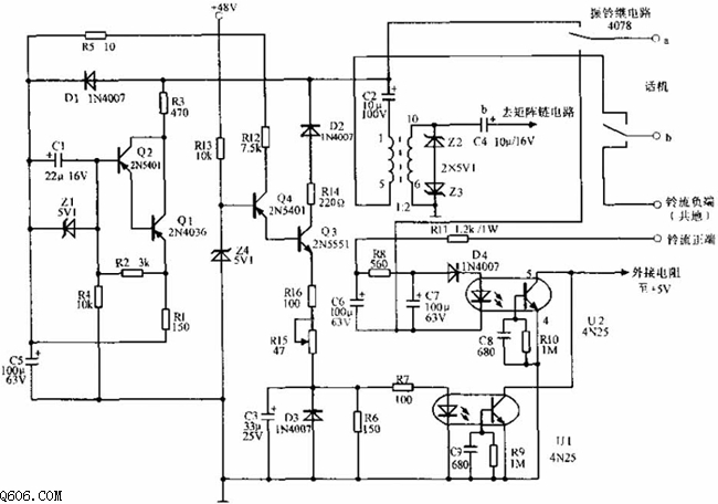
恒流源供电和摘机检测电路图
电路图
电路用在HJD05型程控用户电话交换机上。直流通路是+48V,电阻R5、R1,晶体管Q1、R3组成了电源正端一侧供电电路。由R3上端经继电器接点接至分机电话线a端。分机电话线b端则经继电器接...
阅读更多 -
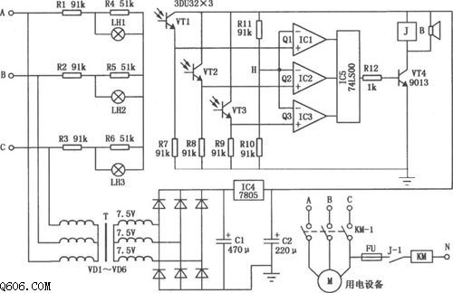
三相电机缺相运行保护电路图
电路图
电路由通用型集成运算放大器构成,可广泛用于各种三相电机的缺相保护。IC选用典型的通用型集成运算放大器,如5G24、BG305、FC4、F006、XFC77或国外产品μA741等,继电器J可选用直流工作...
阅读更多 -
555袖珍数字式频率计电路图
电路图
电路是利用一支普通数字式石英电子表,将其晶体焊下,按如图接好电路,即构成数字式频率计。 将待测信号加至E、F端,经R6、D3、D4等限幅,并调节RP1,控制输入信号的强度。测量时...
阅读更多 -
交流电网下工作的温度保护电路图
电路图
很多设备在超过允许温度下运行是很危险的,为此必须设置保护电路。热敏电阻在较低温度下呈低电阻性。随着温度升高,其阻值成比例增大。最终阻值可达几兆欧。如果将热敏电阻接...
阅读更多 -
555构成多功能综合保安器电路图
电路图
图中所示为多功能综合保安器电路。该保安器由限流保护电路、漏电检测电路、过压和欠压检测电路、单稳延时电路、继电器控制电路等组成。 过压和欠压检测电路由R3、R4、R5、BG1和...
阅读更多
点击排行
多功能吊扇遥控调速电路
