电路图
电路图学习线性放大555电路图信号产生稳压电路图开关电源电路电池电源电路综合电源电路传感器电路图消费电子电路遥控电路图音视频电路控制电路图电机控制电路DIY电路图光电电路图医疗安防电路图
-
555直读式频率计电路图
电路图
直读式频率计由放大器、触发器和单稳态电路及表头等组成。可在1mA表头上直读检测的信号,最高信号频率可达20kHz,灵敏度不小于100mV。 IC1、IC2采用LM741运算放大器,第一级用作放大,...
阅读更多 -
555指针式电子兆欧表电路图
电路图
本兆欧表采用电子升压电路做测量电源,量程为0.5~1000M欧。 IC1(555)和R1、R2、C1接成无稳态振荡模式,振荡频率f=1.44/(R1+2R2)C1,约在15kHz左右。变压器T为升压变压器,次级的感应电压...
阅读更多 -
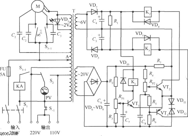
1000w自动调压交流稳压电路图
电路图
电路如图所示,T为自耦式调压器。其输出端固定,输入端由伺服电动机自动调节,使输出保持恒定。 三极管VTl、VT2:3DK9C,β=65~85;VT3:3AX818,β=60~80;二极管VD2、VD3、VD6~VD9:1N4...
阅读更多 -
555转速(频率)/电压转换器电路图
电路图
转换器主要有传感探头和单稳定时电路组成。用该转换器配合脉冲测速发电机,用以指示出被测转轴的转速(0~1500转/分),同时还输出转速电压信号,供自动调速电路作反馈信号。...
阅读更多 -
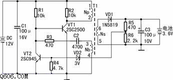
制作太阳能手机充电器电路图
电路图
工作原理如下: 三极管VT1为开关电源管,它和T1、R1、R3、C2等组成自激式振荡电路。加上输入电源后,电流经启动电阻R1流向VT1的基极,使VT1导通。 VT1导通后,变压器初级线圈Np就加上...
阅读更多 -
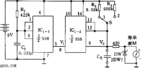
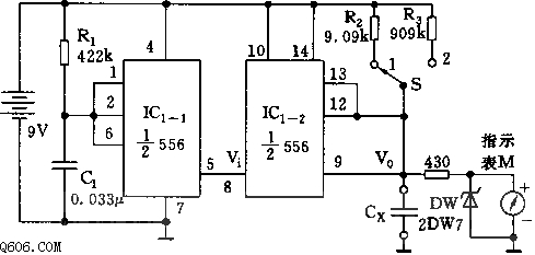
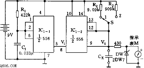
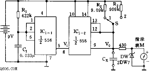
555简易电容测试仪电路图
电路图
该测试仪可测量从100pF到1uF的电容。 电路如图,IC1-1与R1、C1组成无稳态多谐振荡器,振荡频率f=1.44/R1C1,为100Hz左右,占空比几乎是100%,IC1-2与R2(R3)和待测电容Cx组成单稳态触发器,在...
阅读更多 -
大功率可调充电器电路图
电路图
充电装置原理电路图所示,最大输出电流为20A,最高充电电压为80V.它可以从0V起进行调节,因此能对各种规格的蓄电池进行充电,还可以对相同规格的蓄电池组或串联蓄电池组进行充电...
阅读更多 -
电压源三相逆变器结构电路图
电路图
电压源三相逆变器结构电路图...
阅读更多 -
单管恒流充电器电路图
电路图
如图是一实用的单管恒流充电器,其中三极管VT1起恒流作用,其恒流值由稳压管电压和R2决定。一般稳压管选3.3V左右,电阻R2取(30~60欧)/(1W~2W),此时充电电流约为50mA~80mA。R3(...
阅读更多 -
慢速充电器电路原理图
电路图
给电池充电,采用慢速方式(充电电流小、时间长)是最经济、也是最安全的方式。设计慢速充电器时应把握两点:第一,采用恒流充电;第二,可外加适当形式的保护电路。下面是给...
阅读更多
点击排行
多功能吊扇遥控调速电路
