电路图
电路图学习线性放大555电路图信号产生稳压电路图开关电源电路电池电源电路综合电源电路传感器电路图消费电子电路遥控电路图音视频电路控制电路图电机控制电路DIY电路图光电电路图医疗安防电路图
-
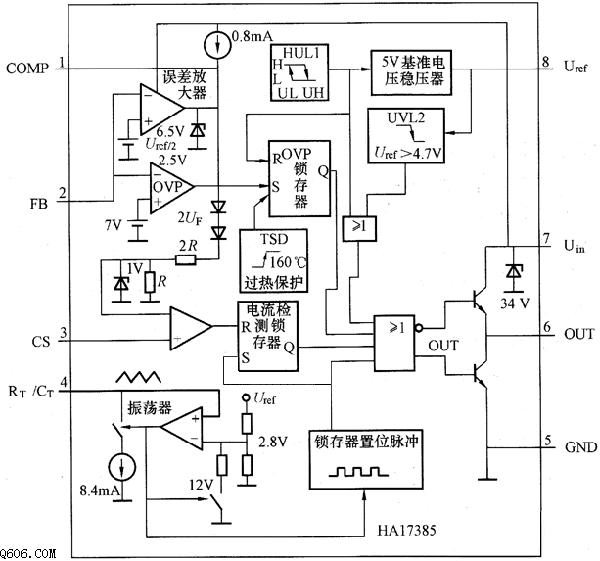
HA17385开关电源集成控制器内部等效电路图
电路图
HA17385开关电源集成控制器采用8脚的DIP封装形式,图为内部等效电路框图。由等效电路框图可得知,HA17385片内有5V基准电压稳压器、振荡器(三角波发生器)、误差放大器及功率MOSFET驱...
阅读更多 -
自制维修、充电两用稳压电源电路图
电路图
对于家电维修人员来说,维修电源是必不可少的。可是,一台专业维修电源是相当昂贵的,如果对该电源进行适当的改进,制作一台物美价廉、使用方便、质量可靠的供维修、充电两用...
阅读更多 -
输出5v/0.4a的小功率开关电源电路图
电路图
图中示出的是输出5V/0.4A的小功率开关电源电路,电路中采用可饱和变压器使其电路进行软开关工作。...
阅读更多 -
6v,0.6w的报警闪光灯电路图
电路图
交通上的报警闪光灯可有不同的功率,其工作电压可由6V电池供给。这样低的电压可借助于电压变换器变换为闪光管所需要的高电压。 图示电路充电电压可由电位器R6调整,利用电位器...
阅读更多 -
5v,3a输出开关型稳压电路图
电路图
LM2676是一开关型集成稳压器,可提供一个驱动能力达3A,可逐级下降的开关稳压器的所有功能,具有良好的线性和负载调节特性;使用一只低导通电阻的DMOS电源开关获得高输出效率;具...
阅读更多 -
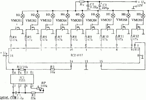
场效应管驱动的定时闪光电路图
电路图
图中电路只需很少的元件就可构成一个循环光的定时控制电路。电路由MOS时基电路7555、CMOS十进制计数器(脉冲分配器)4017以及末级VMOS功率晶体管组成。功率晶体管可以控制最大电流为...
阅读更多 -
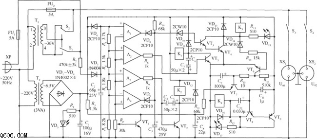
330w交流稳压电路图
电路图
图中,R2、R4、R5、R6 5只取样电阻的实际值应为:470kΩ±3kΩ、3.7kΩ±300Ω、1.5kΩ±100Ω、1.8kΩ±100Ω、8.2kΩ±200Ω;发光二极管VD5:BT312(红色);VD15、VD17:BT313(绿色);稳压二极管VD10、VD14:2...
阅读更多 -
幻灯投影机用4通道超声波发生器电路图
电路图
为了遥控幻灯投影机常需要有4个不同频率的通道信号,即“前进”、“后退”、“向前聚焦”和“向后聚焦”,此时可采用如图所示发送器电路。其中由晶体管T1构成振荡电路,在电感...
阅读更多 -
回被探测距离用超声波接收器电路图
电路图
该电路工作电压9V,消耗电流仅5mA,可在家150~180kHz范围内调整频率,带宽约为了20kHz,以确保只有宽于70us的脉冲才能通过和被放大。 接收器输入端子直接接传感器,从而也即与振荡器...
阅读更多 -
晶体管电离报警电路图
电路图
采用连续的烟雾报警信号而不采用发出嘟嘟声的断续报警信号,可以简化触发火情报警器和电池欠压报警器所要求的晶体管电路。当电离室的高阻抗因烟雾或气体而降低时,放大器晶体...
阅读更多
点击排行
多功能吊扇遥控调速电路
