电路图
电路图学习线性放大555电路图信号产生稳压电路图开关电源电路电池电源电路综合电源电路传感器电路图消费电子电路遥控电路图音视频电路控制电路图电机控制电路DIY电路图光电电路图医疗安防电路图
-
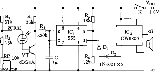
555转速表电路图
电路图
如图来自开关接点的、与转速成比例的脉冲信号Vi,经过微分后加至IC(1/2 556)的触发端,使单稳定时电路产生定宽的脉冲,td=1.1R2C2,不同的转速有与其成比例的脉冲数,单稳电路输出...
阅读更多 -
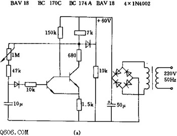
时间流程中继电器吸合的定时器电路图
电路图
图a电路中有两级电路结构,其定时时间约为0.5~12s,图b有点~160s范围的定时时间。 变压器参数:铁芯:M42/15.7硅钢片 绕组:0.18mm铜漆包线路1200匝。...
阅读更多 -
高抗干扰能力的运算放大器模拟开关电路图
电路图
采用模拟电子开关取代有接点开关,可以防止产生火花和射频干扰,上图为采用结型场效应晶体管和运算放大器的电路极其等效的机械线路。输入信号Ue(或Ue1、Ue2……)在B端有控制信...
阅读更多 -
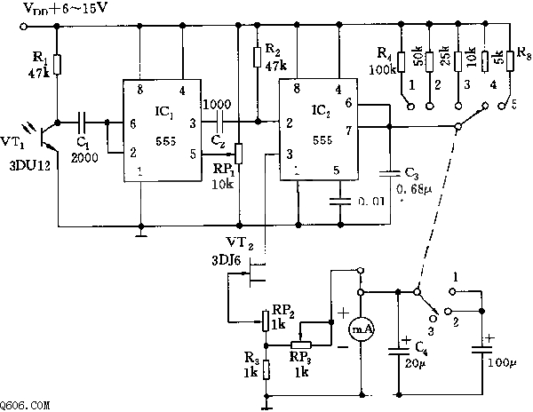
光电转换转速表电路图
电路图
转速表电路由光电传感头、触发器(IC1)、单稳定时电路(IC2)和表头等组成,用于转速的检测。 光电传感头采用光敏管3DU12或3DU5.一般是在转动盘上打小孔透光,对侧放一发光源,转...
阅读更多 -
远距离报警光栅电路图
电路图
电路包括发射器和接收器两部分。前者由运算放大器0I组成,电容C3可整定脉冲频率到1kHz左右,电位器RP2调整脉冲超声波宽度,电位器RP1限制发射电流不超过允许值。 接收器输入端为光...
阅读更多 -
恒流、恒压两功能充电器电路图
电路图
普通充电器一般为恒流或恒压单一功能。用恒流充电以时间来控制通、断电,易造成充不足或过充电;而用恒压充电,当开始充电时,由于电池电压比较低,充电电流过大会对电池有害...
阅读更多 -
555光照度测试仪电路图
电路图
如图由光电传感器件和555等构成光电转换开关,由音乐IC2发出乐曲进行提示。 光照度传感件采用光电池2CR33.当光照度低于适于学习的最低照度100勒克司时,2CR33呈高阻,VT1近于截止,...
阅读更多 -
周期工作的双定时器电路图
电路图
电路的负载为继电器线圈A,其通电时间和断电时间均可由电位器R3和R2独立调整。在延迟时间一定的情况下,电容C的电容量越小,继电器吸合与释放二者时间差越大。...
阅读更多 -
并联自动充电器电路图
电路图
许多充电器都采用串联充电方式,这类充电器存在一个共同的特点,必须保证各节电池的放电状态一致,即保证各节电池的残留电量相当,否则会出现有些电池还未充满,有些电池已过...
阅读更多 -
光电断路器电路图
电路图
电路在静止(黑暗)状态时工作电磁铁M流过电流,一旦有足够强度的光照射到光敏三极管上使之导通时,末级晶体管即处于截止状态,电磁铁释放。由于通过1M欧电阻反馈到光敏晶体管...
阅读更多
点击排行
多功能吊扇遥控调速电路
